EasyManua.ls Logo

Stone SAW DEVIL CS2 - CS2 Electrical System Diagram

Default Icon
32 pages
Print Icon
To Next Page IconTo Next Page
To Next Page IconTo Next Page
To Previous Page IconTo Previous Page
To Previous Page IconTo Previous Page
Loading...
- 23 -
Maintenance
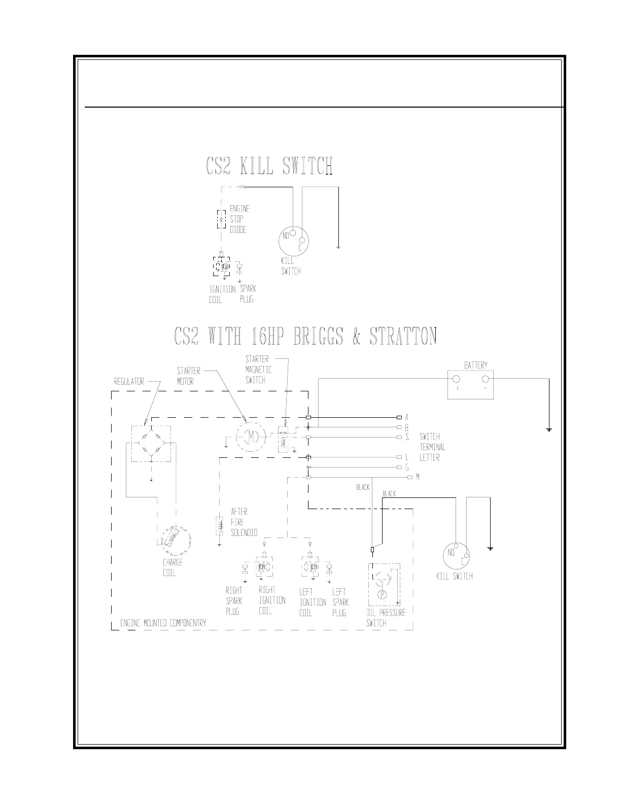
CS2 Electrical System

Related product manuals