EasyManua.ls Logo

Strongarm 814B - Page 5

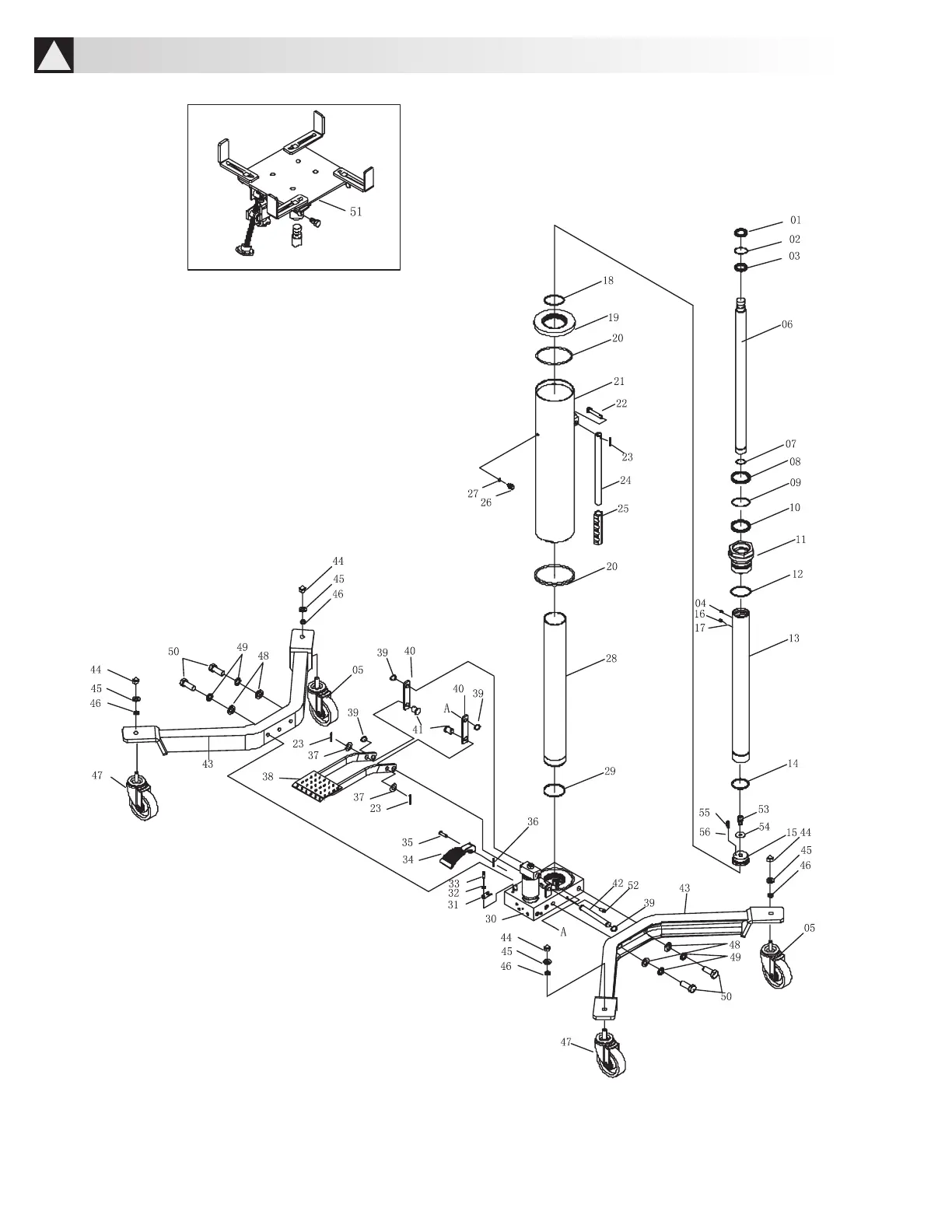
Strongarm 814B
8 pages
Print Icon
To Next Page IconTo Next Page
To Next Page IconTo Next Page
To Previous Page IconTo Previous Page
To Previous Page IconTo Previous Page
Loading...
5
!
PARTS