EasyManua.ls Logo

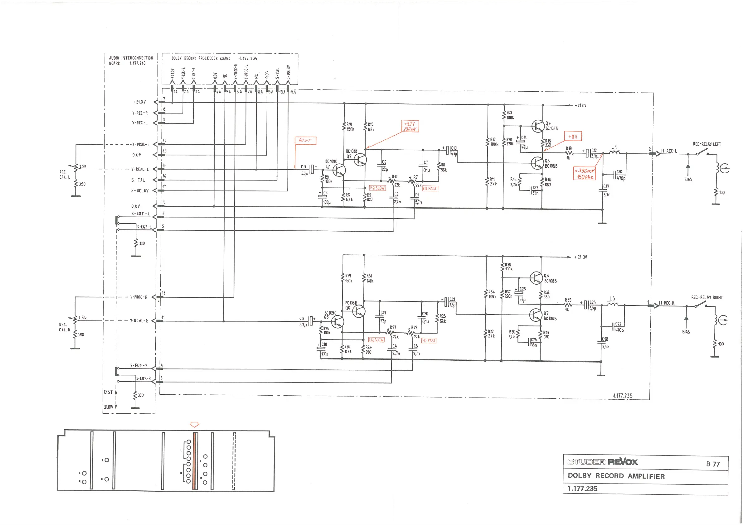
STUDER REVOX B77 - Dolby Record Amplifier

STUDER REVOX B77
35 pages
Print Icon
To Next Page IconTo Next Page
To Next Page IconTo Next Page
To Previous Page IconTo Previous Page
To Previous Page IconTo Previous Page
Loading...