EasyManua.ls Logo

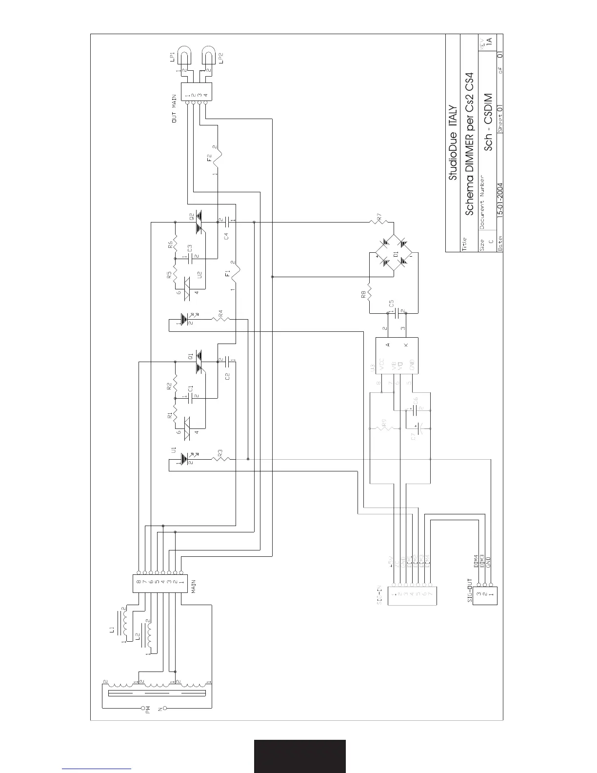
STUDIO DUE CS-4 - Electrical Diagrams; Dimmer Schema for CS2 CS4

STUDIO DUE CS-4
28 pages
Print Icon
To Next Page IconTo Next Page
To Next Page IconTo Next Page
To Previous Page IconTo Previous Page
To Previous Page IconTo Previous Page
Loading...
13

Other manuals for STUDIO DUE CS-4

Related product manuals