EasyManua.ls Logo

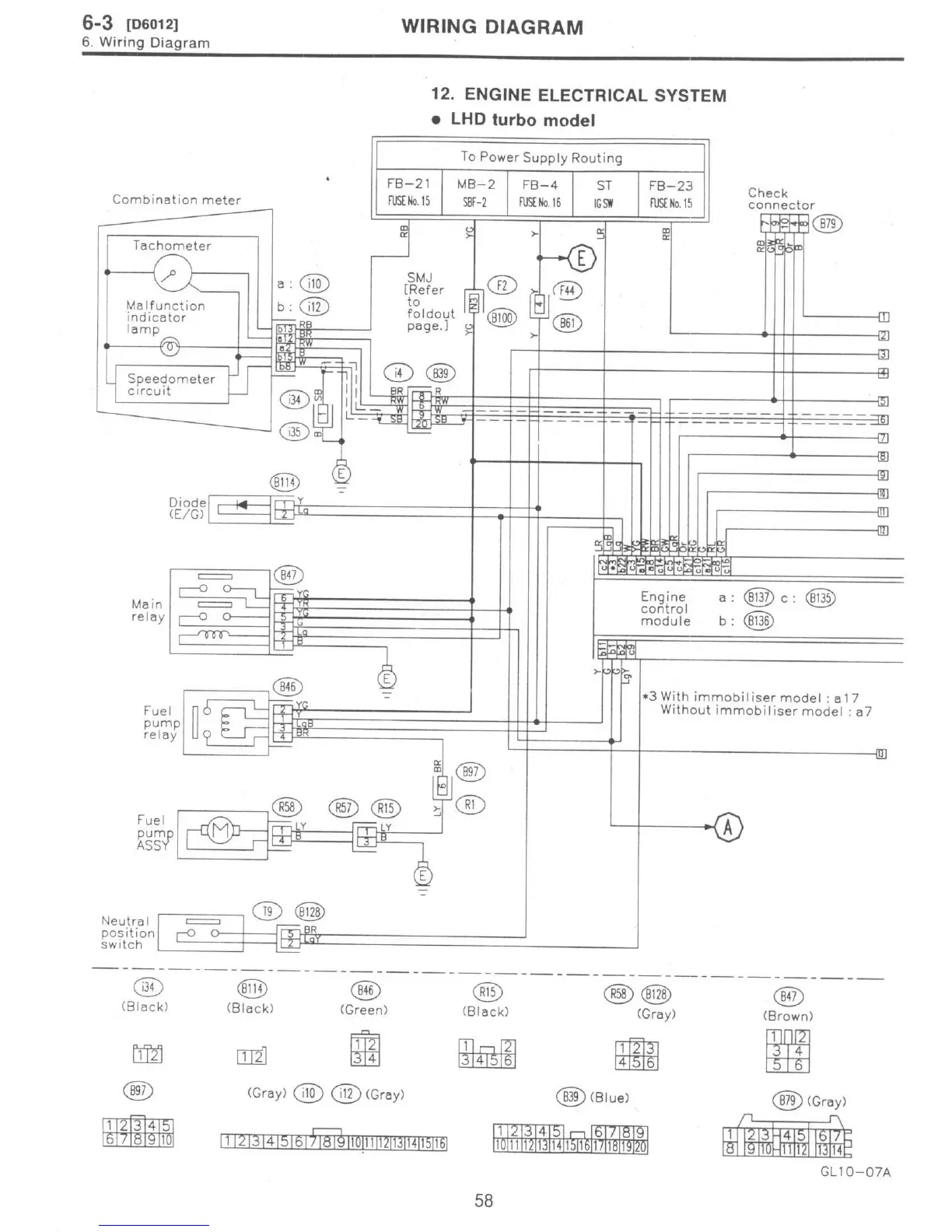
Subaru 1997 Impreza - Engine Electrical System Wiring Diagram

Subaru 1997 Impreza
615 pages
Print Icon
To Next Page IconTo Next Page
To Next Page IconTo Next Page
To Previous Page IconTo Previous Page
To Previous Page IconTo Previous Page
Loading...

Table of Contents

Related product manuals