EasyManua.ls Logo

Subaru EX35 - 4-18 SECTIONAL VIEW OF THE ENGINE

Subaru EX35
84 pages
Print Icon
To Next Page IconTo Next Page
To Next Page IconTo Next Page
To Previous Page IconTo Previous Page
To Previous Page IconTo Previous Page
Loading...
-
10
-
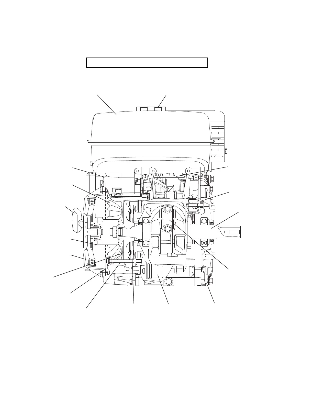
4-18 SECTIONAL VIEW OF THE ENGINE
Fig.4-16
Cross sectional view – across the shaft
FUEL TANK
TANK CAP
CHARGE COIL
(OPTION)
BLOWER HOUSING
STARTING PULLEY
RECOIL STARTER
RECOIL STARTER
HANDLE
FLYWHEEL
OIL SENSOR
(OPTION)
MAIN BEARING COVER
CONNECTING ROD
CRANKSHAFT
GOVERNOR GEAR
GOVERNOR LEVER
BOLT
(RECOIL BRACKET)
RECOIL BRACKET
COOLING BLOWER

Related product manuals