EasyManua.ls Logo

Sullair SRC Series - Page 55

Sullair SRC Series
66 pages
Print Icon
To Next Page IconTo Next Page
To Next Page IconTo Next Page
To Previous Page IconTo Previous Page
To Previous Page IconTo Previous Page
Loading...
53
SRC-- 1 5 0 --- S RC -- 1000
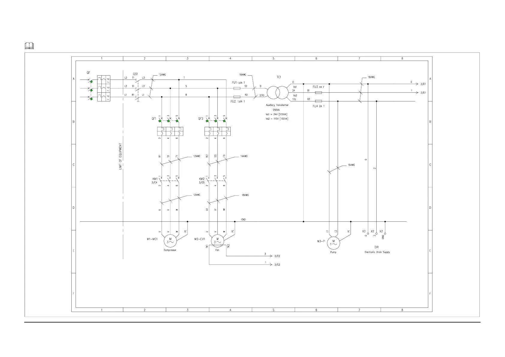
Wiring diagram / Schéma électrique / Esquema eléctrico SRC-- 700 (230V/3Ph/60Hz) (Sheet 2 of 6)

Related product manuals