EasyManua.ls Logo

Superior VRL4543ZEN - WIRING DIAGRAM

Superior VRL4543ZEN
32 pages
Print Icon
To Next Page IconTo Next Page
To Next Page IconTo Next Page
To Previous Page IconTo Previous Page
To Previous Page IconTo Previous Page
Loading...
SuperiorFireplaces.us.com
126861-01L
22
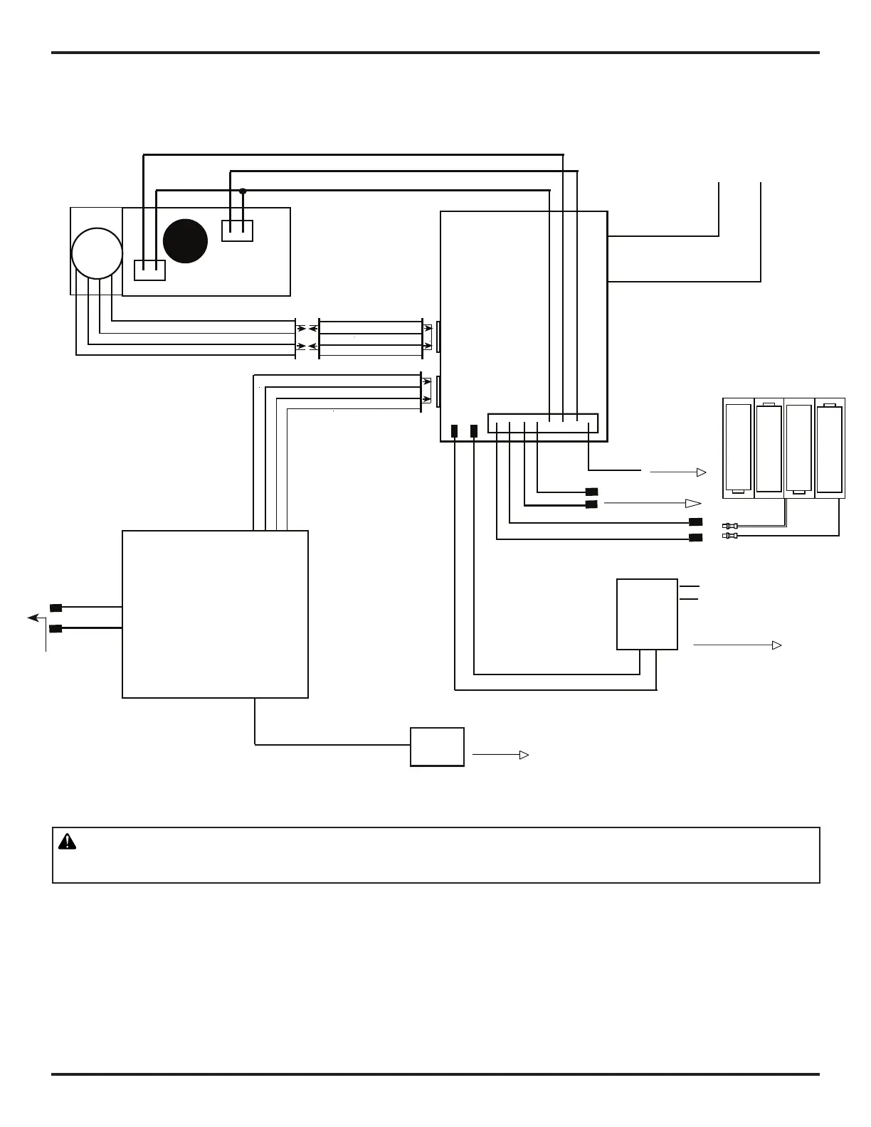
WIRING DIAGRAM
COMM
COMM
LEARN MOTOR
Green
Orange
White
Valve
Power
Module
Black
Brown
Brown
Red
Black
AC
Power
Adapter
110V
MAX. 15 AMPS
110V
POWER
IPI
IS
(+)
(-)
MAX. 15 AMPS
To Rocker Switch
To J-Box
To J-Box
Pilot
Main
HI/LO DC
Motor Drive
Light
Module
Black
Black
Brown
Red
Orange
Orange
To Ground
Igniter Sensor
PILOT
BATTERY PACK
WIRING DIAGRAM
Black (-)
Blk/White (+)
SIZE
"AA"
SIZE
"AA"
SIZE
"AA"
SIZE
"AA"
Blk.
Brown
Yellow
Orange
Red
Blue
Yellow
White
3 Prong
Plug
Red
White
To Light Switch
WARNING: Caution: Label all wires prior to disconnection when servicing controls. Wiring errors can cause
improper and dangerous operation. Verify proper operation after servicing.

Related product manuals