EasyManua.ls Logo

SuperLightingLED K-1000C - DMX512 Luminaire Wiring Methods; Differential Signal Wiring

SuperLightingLED K-1000C
13 pages
Print Icon
To Next Page IconTo Next Page
To Next Page IconTo Next Page
To Previous Page IconTo Previous Page
To Previous Page IconTo Previous Page
Loading...
Version V1.3
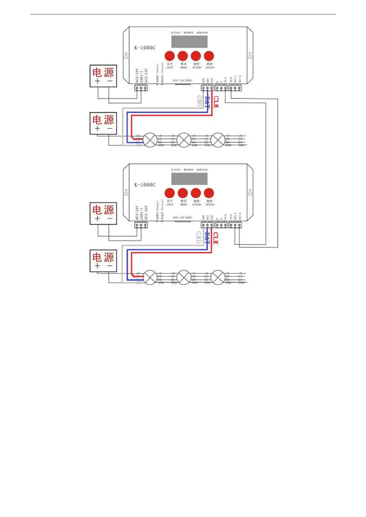
六、DMX512 luminaire wiring method:
DMX512 differential signal line wiring diagram: A/B/ADD/GND (A/B/GND)