EasyManua.ls Logo

Sussman MBA - Page 4

Default Icon
12 pages
Print Icon
To Next Page IconTo Next Page
To Next Page IconTo Next Page
To Previous Page IconTo Previous Page
To Previous Page IconTo Previous Page
Loading...
MBA Electric Steam Generator Installation, Operation and Maintenance Manual
_ _ _ _ _ _ _ _ _ _ _ _ _ _ _ _ _ _ _ _ _ _ _ _ _ _ _ _ _ _ _ _ _ _ _ _ _ _ _ _ _ _ _ _ _ _ _ _ _ _ _ _ _ _ _ _ _ _ _ _ _ _ _ _ _ _ _ _ _ _ _ _ _ _ _ _ _
4
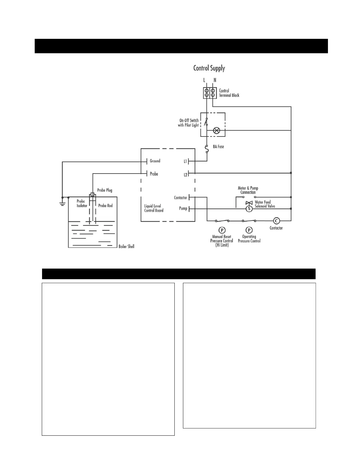
MBA Steam Wiring Control Circuit Wiring Diagram
Replacement Heating Elements
Part No. Description Phase
_________________________________________
29031A 3KW, 120V 1
_________________________________________
29031B 3KW, 208V 1
_________________________________________
29031C 3KW, 240V 1
_________________________________________
29061B 6KW, 208V 1
_________________________________________
29061C 6KW, 240V 1
_________________________________________
29063A 6KW, 208V 3
_________________________________________
29063B 6KW, 240V 3
_________________________________________
29063C 6KW, 240V 3
_________________________________________
29063F 6KW, 480V 3
_________________________________________
29091B 9KW, 208V 1
_________________________________________
29091C 9KW, 240V 1
_________________________________________
29093B 9KW, 208V 3
_________________________________________
29093C 9KW, 240V 3
_________________________________________
29093F 9KW, 480V 3
_________________________________________
39121B 12KW, 208V 1
Part No. Description Phase
_________________________________________
39121C 12KW, 240V 1
_________________________________________
39123B 12KW, 208V 3
_________________________________________
39123C 12KW, 240V 3
_________________________________________
39123F 12KW, 480V 3
_________________________________________
39181B 18KW, 208V 1
_________________________________________
39181C 18KW, 240V 1
_________________________________________
39183B 18KW, 208V 3
_________________________________________
39183C 18KW, 240V 3
_________________________________________
39183F 18KW, 480V 3
_________________________________________
39201B 20KW, 208V 1
_________________________________________
39201C 20KW, 240V 1
_________________________________________
39203B 20KW, 208V 3
_________________________________________
39203C 20KW, 240V 3
_________________________________________
39203F 20KW, 480V 3

Related product manuals