EasyManua.ls Logo

Suzuki DF6A - Wiring Diagram; Electrical Circuit Diagram

Suzuki DF6A
125 pages
Print Icon
To Next Page IconTo Next Page
To Next Page IconTo Next Page
To Previous Page IconTo Previous Page
To Previous Page IconTo Previous Page
Loading...
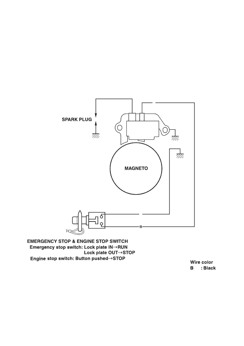
WIRING DIAGRAM
DF4A/DF6A
IGNITER UNIT
B
B

Table of Contents

Related product manuals