EasyManua.ls Logo

Suzuki LT160E - Wiring Diagram

Suzuki LT160E
248 pages
Print Icon
To Next Page IconTo Next Page
To Next Page IconTo Next Page
To Previous Page IconTo Previous Page
To Previous Page IconTo Previous Page
Loading...
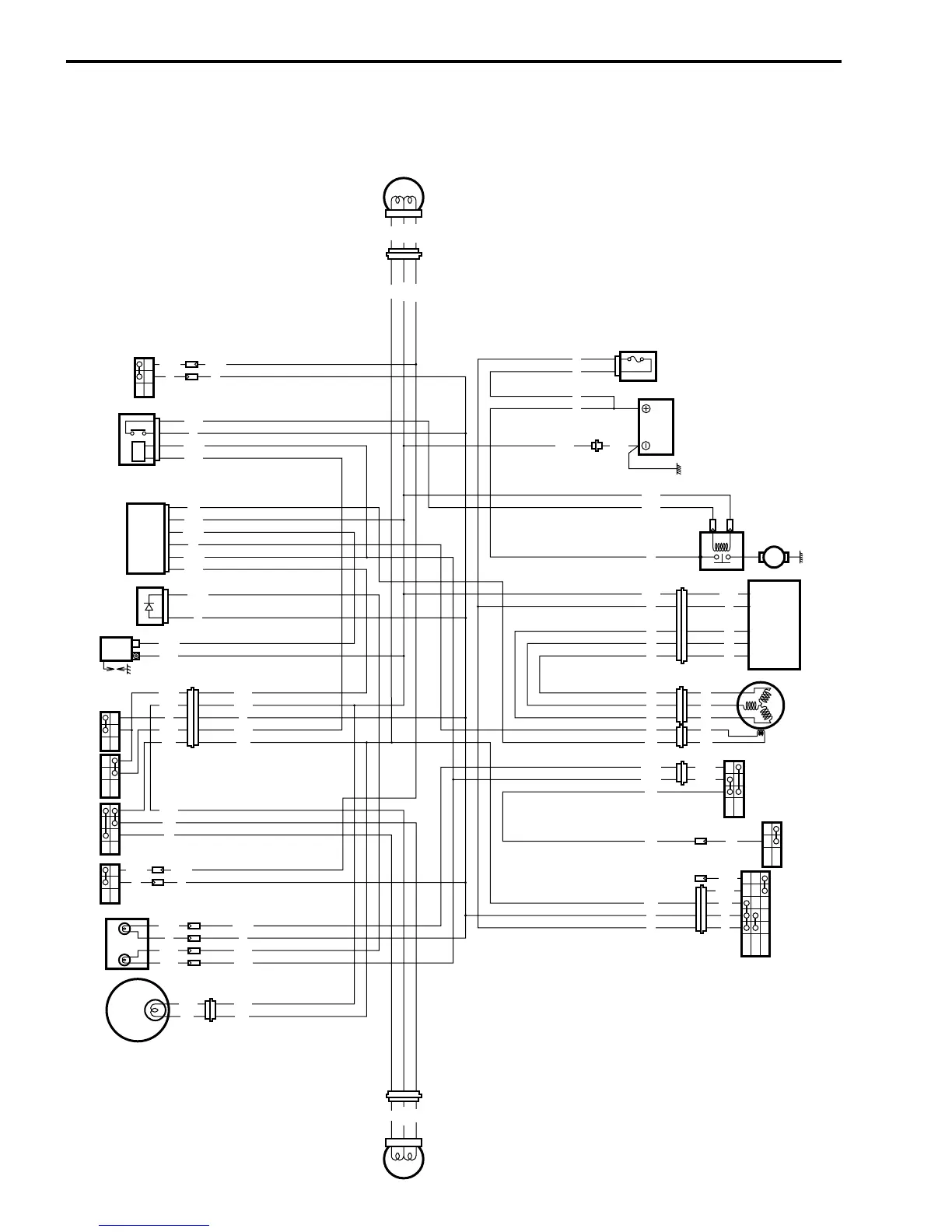
15-19 LT160K3/K4 (’03, ’04-MODELS) LT-F160K3/K4/K5 (’03, ’04, ’05-MODELS)
WIRING DIAGRAM
LT160 AND LT-F160
1
FREE
PUSH
OFF
ON
LIGHTS
ON
OFF
HI
PUSH
OFF
RUN
OFF
ON
LO
Bl
G
Gr
O
R
W
Y
B/W
B/Y
Bl/B
Bl/R
O/B
W/B
W/Bl
Y/B
Y/G
WIRE COLORS
Blue
Green
Gray
Orange
Red
White
Yellow
Black with White tracer
Black with Yellow tracer
Blue with Black tracer
Blue with Red tracer
Orange with Black tracer
White with Black tracer
White with Blue tracer
Yellow with Black tracer
Yellow with Green tracer
. . . . . . .
. . . . . . .
. . . . . .
. . . . . . .
. . . . . . .
. . . . . . .
. . . . . . .
. . . . .
. . . . . .
. . . . .
. . . . .
. . . . . .
. . . . .
. . . . .
. . . . . .
. . . . . .
SP : SPEEDOMETER
NU : NEUTRAL INDICATOR LIGHT
RE : REVERSE INDICATOR LIGHT
REGULATOR/
RECTIFIER
REVERSE
SWITCH
NEUTRAL
SWITCH
IGNITION
SWITCH
HEADLIGHT
SPEEDOMETER
(OPTION)
INDICATOR
LIGHT
DIMMER
SWITCH
FRONT BRAKE
SWITCH
STARTER
BUTTON
ENGINE
STOP SWITCH
IGNITION COIL
DIODE
CDI UNIT
NEUTRAL RELAY
BRAKE LIGHT/ TAILLIGHT
FUSE BOX
BATTERY
12 V
M
STARTER MOTOR
STARTER RELAY
GENERATOR
Y
G
B/W
Bl/B
O/W
O
O
O
Gr
Gr
Gr
B/W
Gr
Y/G
Y/B
Y/G
O/B
O/B
O/B
B/W
B/W
O
Gr
Y/G
B/W
B/W
Gr
B/W
W/BW/B
B/W
W/Bl
W/Bl
B/W
O/B
O
W/B
O
W/B
O
OFF
ON
STOP
LAMP
SWITCH
W/B
O
W/B
O
Bl/B
Bl/B
Bl/R
Bl/B
O
O/B
Bl/R
Bl
Bl
Bl
Bl
W
W
R
R
R
R
R
R
Y/B
B/W B/W
B/W
B/W
Y
Y
Y
Y
Y
Y
Y
R
B/W
Y
Y
Y
G
Bl
Bl
Y
Y
Y
G
Bl/R
Bl/B
Bl/R
Bl/B
B/Y
B/W
B/W
R
O
Gr
R
O
Gr
SP
NU RE

Table of Contents