EasyManua.ls Logo

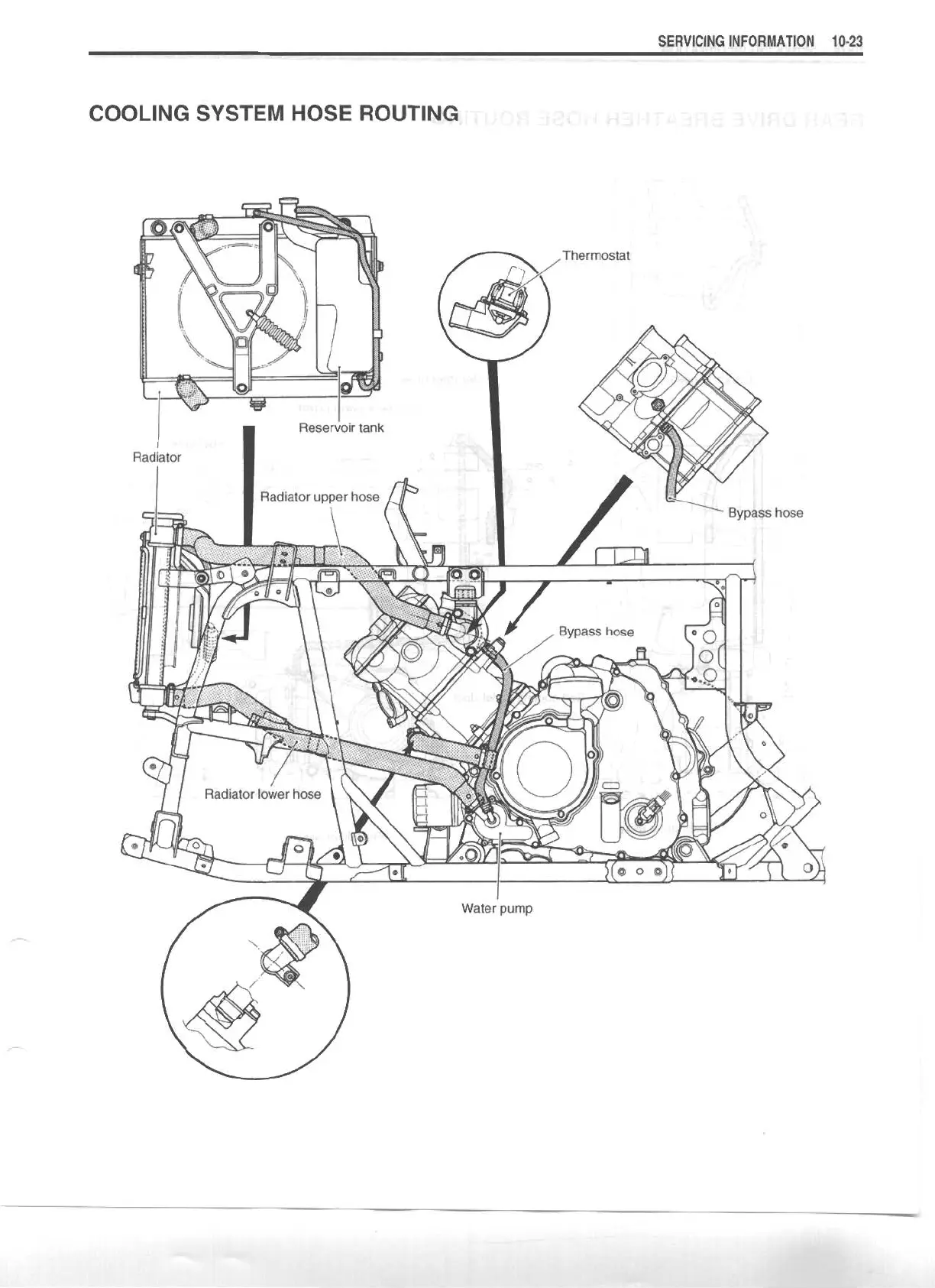
Suzuki LTA-700 - Cooling System Hose Routing

Suzuki LTA-700
477 pages
Print Icon
To Next Page IconTo Next Page
To Next Page IconTo Next Page
To Previous Page IconTo Previous Page
To Previous Page IconTo Previous Page
Loading...

Table of Contents

Related product manuals