EasyManua.ls Logo

Swisher STD67522BS - Page 23

Swisher STD67522BS
39 pages
Print Icon
To Next Page IconTo Next Page
To Next Page IconTo Next Page
To Previous Page IconTo Previous Page
To Previous Page IconTo Previous Page
Loading...
10
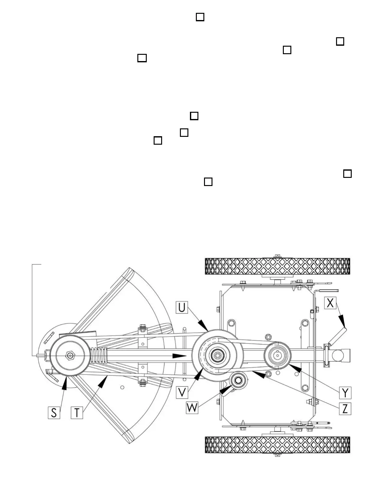
Reemplazo de la correa de accionamiento del cabezal Z
1. Retire la cubierta de la correa delantera.
2. Retire la correa desgastada.
3. Instale la nueva correa pasándola primero por debajo del motor y alrededor de la polea del motor Y .
4. Luego, pase la correa alrededor de la polea de transferencia de energía superior V .
5. Asegúrese de que la polea loca W quede fuera da la correa, como se ilustra.
6. Asegúrese de que la correa esté bien instalada en la ranura de cada polea.
7. Vuelva a colocar la cubierta de la correa delantera.
8. En caso de haberse ajustado previamente la tensión de la correa, restablezca la ruedecilla de ajuste
girándola en sentido horario hasta donde lo permita (consulte la ilustración de las instrucciones de ajuste
de la correa). Si el cabezal no se conecta correctamente, consulte las instrucciones de ajuste de la correa.
Reemplazo de la correa de transferencia de energía T
1. Retire la cubierta de la correa delantera.
2. Retire la correa de accionamiento del cabezal Z .
3. Afloje la empuñadura de inclinación X .
4. Empuje el cabezal de la bordeadora hacia la parte posterior de la unidad, comprimiendo el resorte
de tensión.
5. Retire la correa desgastada.
6. Instale la correa nueva pasándola primero alrededor de la polea de transferencia de energía inferior U .
7. Luego, pase la correa alrededor de la polea delantera S . PRECAUCIÓN. Peligro de pellizco:
Asegúrese de que ninguna parte de su cuerpo quede entre la correa y las poleas, ya que se pueden
provocar lesiones.
8. Libere el cabezal de la bordeadora y apriete la empuñadura de inclinación como se indica en las
instrucciones de operación.
9. Vuelva a colocar la correa de accionamiento del cabezal conforme a las instrucciones anteriores.
10. Vuelva a colocar la cubierta de la correa delantera.
11. Si el cabezal no se conecta correctamente, consulte las instrucciones de ajuste de la correa.
Empuje para
aflojar la
correa

Related product manuals