EasyManua.ls Logo

SymCom MOTORSAVER 460 - Page 2

SymCom MOTORSAVER 460
7 pages
Print Icon
To Next Page IconTo Next Page
To Next Page IconTo Next Page
To Previous Page IconTo Previous Page
To Previous Page IconTo Previous Page
Loading...
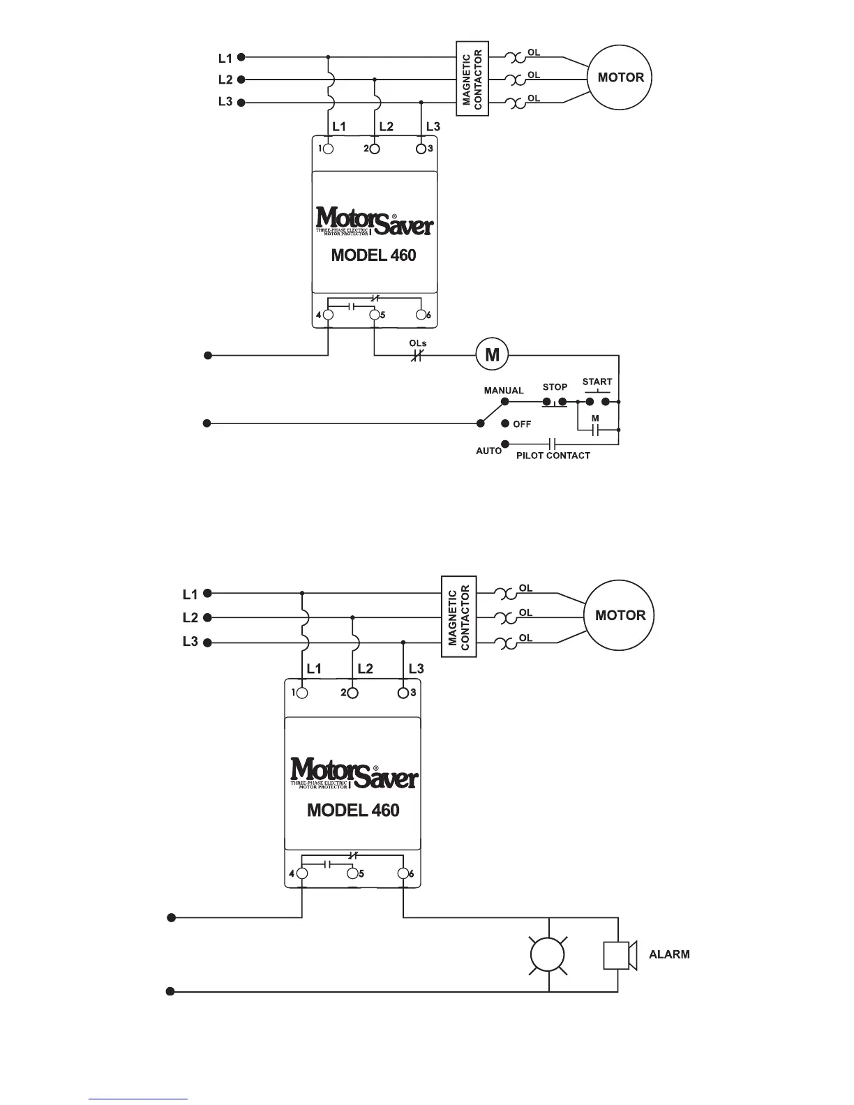
3-Phase Voltage
CONTROL VOLTAGE
24-240 VAC
FIGURE NO. 1: CONTROL WIRING DIAGRAM
LIGHT
3-Phase Voltage
CONTROL VOLTAGE
24-240 VAC
FIGURE NO. 2: ALARM WIRING DIAGRAM
Phone: 800.894.0412 - Fax: 888.723.4773 - Web: www.clrwtr.com - Email: info@clrwtr.com

Related product manuals