EasyManua.ls Logo

System Sensor Sounder Base B501BH - Page 3

System Sensor Sounder Base B501BH
4 pages
Print Icon
To Next Page IconTo Next Page
To Next Page IconTo Next Page
To Previous Page IconTo Previous Page
To Previous Page IconTo Previous Page
Loading...
D650-03-00 3 I56-0491-007R
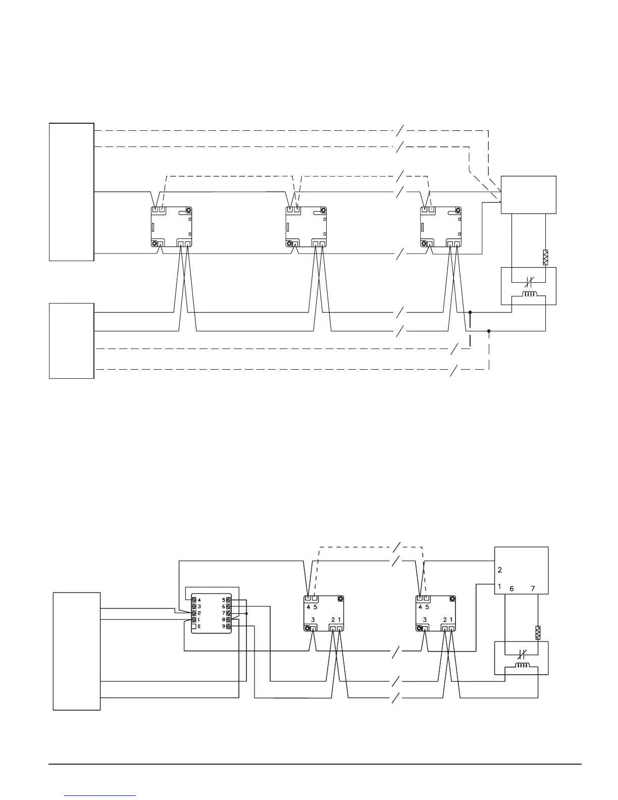
Figure 4. Wiring diagram:
Detector Activates Sounder Base(s) - (Complies with UL268)
UL has approved grouping for up to six B501BH bases with
horn units. When wired as a group, any detector in the group
that has its LED’s latched on by the panel will cause other
B501BH units in the group to sound. This type of “local” group-
INTELLIGENT
MONITOR
MODULE
(+) 2
(–)
1
67
U.L.
LISTED
EOL
RESISTOR
47K
U.L.
LISTED
EOL
RELAY
24V
5
4
123
5
4
123
5
4
123
(+) COMM.
(–) COMM.
(–) POWER
(+) POWER
U.L. LISTED COMPATIBLE
CONTROL PANEL
EXTERNAL
24V SUPPLY
CLASS A OPTIONAL WIRING
CLASS A OPTIONAL WIRING
*
GROUPING OF UP TO 6 MODEL B501BH SOUNDER BASES.
OPTIONAL SOUNDER INTERCONNECT
*
ing is accomplished by wiring the grouped devices together
using terminal 5, Sounder Base Interconnect, as shown in
the diagram.
NOTE: Since a local grouping of horns is not supervised, the
groups can only be used as a supplementary evacuation system.
It is not acceptable to group horns for primary alarm signaling.
C0971-00
UL LISTED
COMPATIBLE
CONTROL
PA NEL
INTELLIGENT
MONITOR
MODULE
INTELLIGENT
RELAY
MODULE
FIRST
SOUNDER
BASE
(+) POWER
(–) POWER
LAST
SOUNDER
BASE
(–) COMM.
(+) COMM.
UL
LISTED
EOL
RELAY
24V
UL LISTED
EOL
RESISTOR
47k
UL LISTED
24V SUPPLY
SLC
(+)
(–)
THIS IS A STANDARD RELAY
MODULE CONFIGURED TO
REVERSE THE POWER
OPTIONAL SOUNDER INTERCONNECT
*
*
GROUPING OF UP TO 6 MODEL B501BH SOUNDER BASES.
C0972-00
Figure 5. Wiring diagram:
Detector Activates Sounder Base(s); Intelligent Relay Module Ac-
tivates All Sounder Bases - (Complies with UL 268 and UL 464)
UL has approved grouping of up to six B501BH bases with horn
units. When wired as a group, any detector in the group that
has its LED’s latched on by the panel will cause other B501BH
units in the group to sound. This type of “local” grouping is
accomplished by wiring the grouped devices together using ter-
minal 5, Sounder Base Interconnect, as shown in the diagram.
NOTE: Since a local grouping of horns is not supervised, the
groups can only be used as a supplementary evacuation sys-
tem. It is not acceptable to group horns for primary alarm
signaling.

Related product manuals