EasyManua.ls Logo

SystemAir EC Series - KD, RS, RSI, prio EC Wiring

SystemAir EC Series
108 pages
Print Icon
To Next Page IconTo Next Page
To Next Page IconTo Next Page
To Previous Page IconTo Previous Page
To Previous Page IconTo Previous Page
Loading...
| 85
206268 | A024
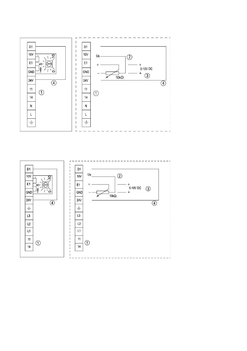
For KD 400 EC, RS 70-40 EC, RSI 70-40 EC
Internal potentiometer External speed setting
For KD 400D EC, prio 450-500 EC, RS 80-50 – 100-50 EC, RSI 80-50 – 100-50 EC
Internal potentiometer External speedsetting
1 11 & 14 = Alarm
For operation the relay is energized, connections
“11” and “14” are bridged. Contact rating max. AC
250V 2A.
3 External input DC 0-10V
2 External potentiometer 4 External ON / OFF control via potential free contact

Related product manuals