EasyManua.ls Logo

SystemAir SAVE VTR 500 - Page 2

SystemAir SAVE VTR 500
3 pages
Print Icon
To Next Page IconTo Next Page
To Next Page IconTo Next Page
To Previous Page IconTo Previous Page
To Previous Page IconTo Previous Page
Loading...
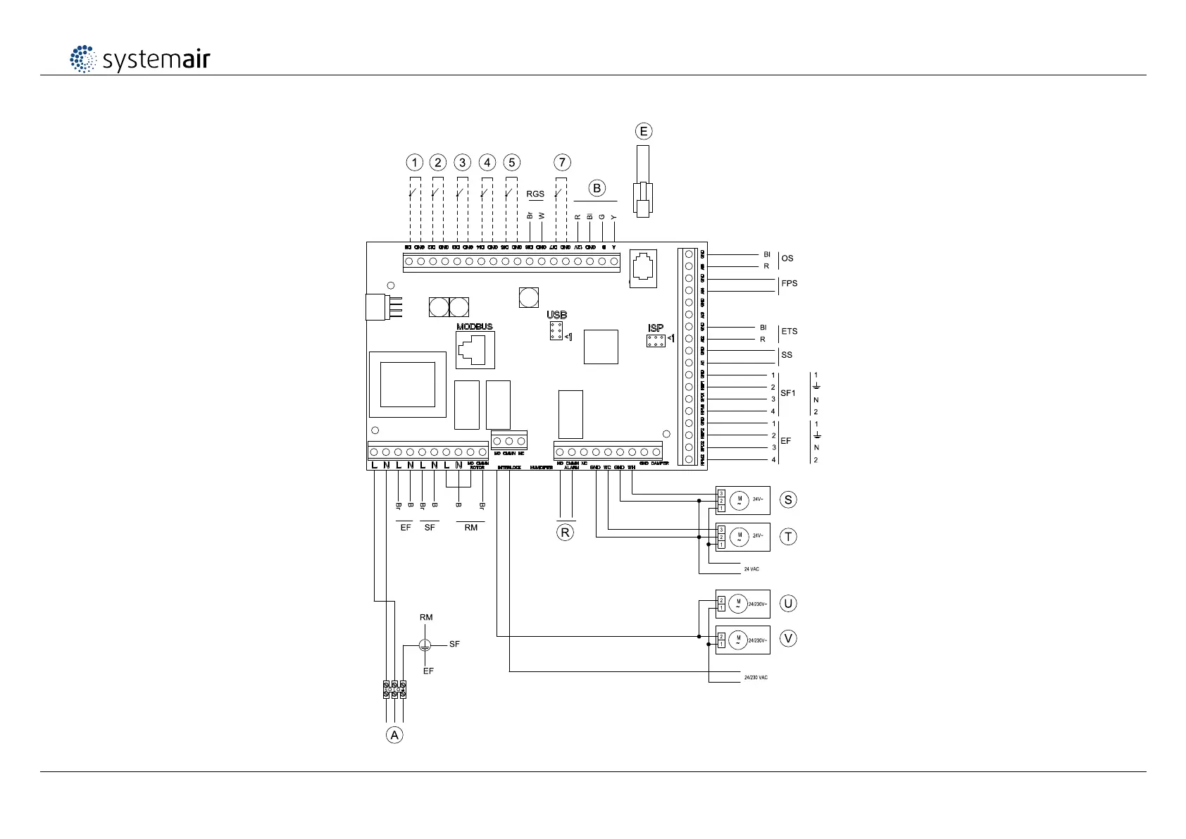
WiringDiagramSAVEVTR200/B,VTR300,VTR500
2(3)
UnitswithHWre-heater+WC
SystemairAB·Industrivägen3,SE-73930Skinnskatteberg,Sweden·Phone+4622244000Fax+4622244099
208063-en_GB-vA003

Other manuals for SystemAir SAVE VTR 500

Related product manuals