EasyManua.ls Logo

Taco 007e-2 Series

Taco 007e-2 Series
7 pages
To Next Page IconTo Next Page
To Next Page IconTo Next Page
To Previous Page IconTo Previous Page
To Previous Page IconTo Previous Page
Loading...
3
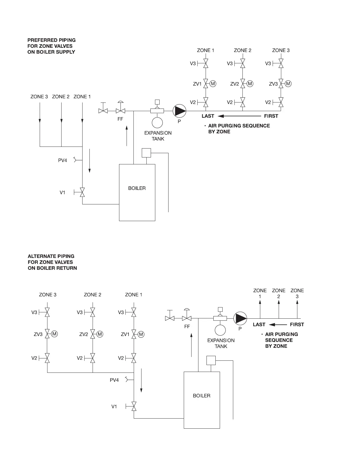
KEY:
VI, V2, V3 = SHUT-OFF ISOLATION VALVE
P = TACO CIRCULATOR WITHOUT IFC INSTALLED
FF = FAST FILL BOILER FEED VALVE
PV4 = PURGE VALVE
ZV = ZONE VALVE
RECOMMENDED PURGING STEPS:
1. CLOSE V1, PV4, V2
2. OPEN V3 AND ZV3
3. OPEN FF VALVE
4. OPEN V2, PV4, TO PURGE LAST ZONE FIRST
(ZONE 3)
5. CLOSE FF VALVE
6. CLOSE V2, PV4
7. REPEAT STEPS 1 TO 6 FOR EACH ADDITIONAL
ZONE, PURGE ZONE 1 LAST
8. OPEN V1 WHEN ALL ZONES ARE PURGED
9. ADJUST SYSTEM TO DESIRED OPERATING FILL
PRESSURE IF REQUIRED
10. MOVE ALL ZV TO CLOSED/AUTOMATIC POSITION
Figure 3:

Related product manuals