EasyManua.ls Logo

Taco 007e-2 Series - Preferred Piping; Air Purging Sequence by Zone; Alternate Piping; Recommended Purging Steps

Taco 007e-2 Series
7 pages
Print Icon
To Next Page IconTo Next Page
To Next Page IconTo Next Page
To Previous Page IconTo Previous Page
To Previous Page IconTo Previous Page
Loading...
2
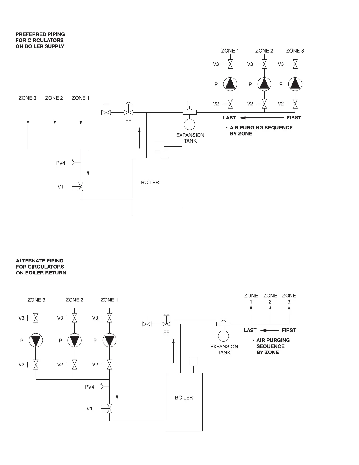
KEY:
VI, V2, V3 = SHUT-OFF ISOLATION VALVE
P = TACO CIRCULATOR WITH IFC
FF = FAST FILL BOILER FEED VALVE
PV4 = PURGE VALVE
RECOMMENDED PURGING STEPS:
1. CLOSE V1, PV4, V2
2. OPEN V3
3. OPEN FF VALVE
4. OPEN V2, PV4, TO PURGE LAST ZONE
FIRST (ZONE 3)
5. CLOSE FF VALVE
6. CLOSE V2, PV4
7. REPEAT STEPS 1 TO 6 FOR EACH
ADDITIONAL ZONE, PURGE ZONE 1 LAST
8. OPEN V1 WHEN ALL ZONES ARE
PURGED
9. ADJUST SYSTEM TO DESIRED OPERATING
FILL PRESSURE IF REQUIRED
Figure 2:

Related product manuals