EasyManua.ls Logo

Taco 00e Series

Taco 00e Series
8 pages
To Next Page IconTo Next Page
To Next Page IconTo Next Page
To Previous Page IconTo Previous Page
To Previous Page IconTo Previous Page
Loading...
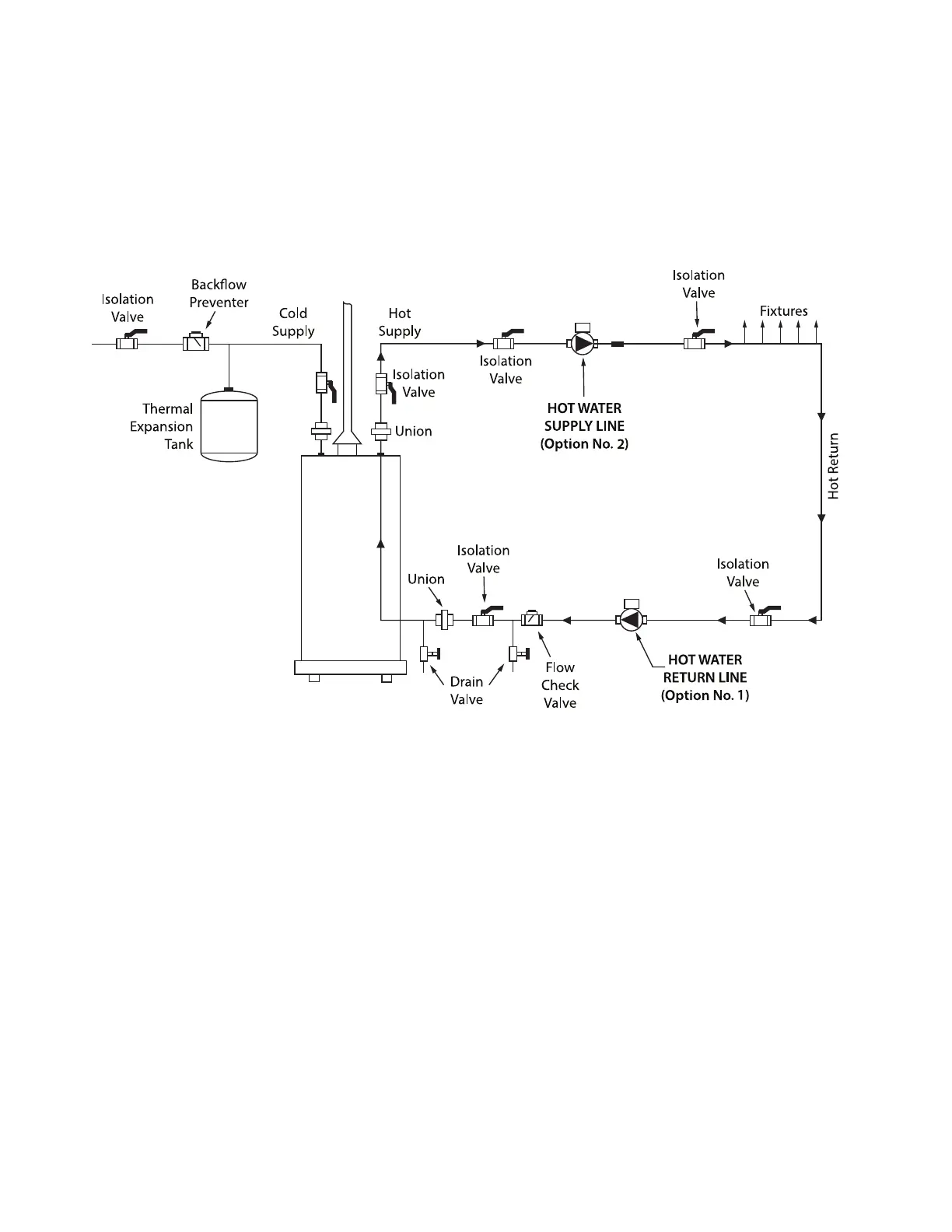
Figure 2:
Typical Installation for Hot Water Recirculation Systems
Water
Heater
Recommended Purging Steps:
1. Open fixture at highest point in system
2. Open all isolation valves
3. Once system is filled, close the fixture at
the highest point in the system
4. Close isolation valve on pump discharge
5. Open drain valve on pump discharge until
all remaining air has been purged
6. Close drain valve
7. Operate pump until all remaining air is
purged from bearing chamber
2

Other manuals for Taco 00e Series

Related product manuals