EasyManua.ls Logo

Taco PC700 - 2 ZVC404;406 Connected Together with Priority

Default Icon
104 pages
Print Icon
To Next Page IconTo Next Page
To Next Page IconTo Next Page
To Previous Page IconTo Previous Page
To Previous Page IconTo Previous Page
Loading...
34
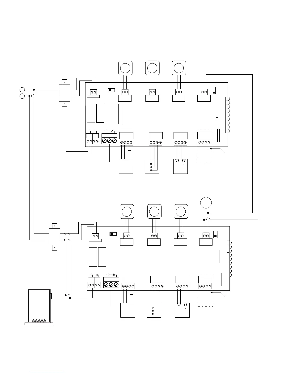
2 ZVC404/406 Connected Together with Priority
24 VAC
POWER IN
ZONE 2 ZONE 3 ZONE 4
MODE
NORMAL RESET
FUSE (3 AMP MAX)
ZONE 1
TT
TT TT TT
ZONE 4 PRIORITY
OFF
ON
N/O COM
N/C
ZONE 4 RELAY
DRY
CONTACTS
1234 1234
ZONE 1 ZONE 2
2 WIRE ZONE VALVE
(NO END SWITCH)
JUMPER
3 & 4
TACO
3 WIRE ZONE VALVE
1
2
3
THERMOSTAT
THERMOSTAT
THERMOSTAT
1234
ZONE 3
MOTOR
END
SWITCH
4 WIRE ZONE VALVE
(POWER OPEN,
SELF CLOSING)
T STAT 1
VALVE 1
T STAT 2
VALVE 2
T STAT 3
VALVE 3
T STAT 4
VALVE 4
POWER
END
SWITCH
EXTRA
END
SWITCH
MAIN
24
VAC
FACTORY
INSTALLED
TRANSFORMER
120 VAC
INPUT
WHITE
BLACK
ZVC 404
FOUR ZONE ZONE VALVE CONTROL
WITH OPTIONAL PRIORITY
1234
ZONE 4
PRIORITY
ZONE
JUMPER
3 & 4
SEE NOTE
24 VAC
POWER IN
ZONE 2 ZONE 3 ZONE 4
MODE
NORMAL RESET
FUSE (3 AMP MAX)
ZONE 1
TT
TT TT TT
ZONE 4 PRIORITY
OFF
ON
N/O COM
N/C
ZONE 4 RELAY
TO BOILER AQUASTAT RELAY
DRY
CONTACTS
1234 1234
ZONE 1 ZONE 2
2 WIRE ZONE VALVE
(NO END SWITCH)
JUMPER
3 & 4
TACO
3 WIRE ZONE VALVE
1
2
3
THERMOSTAT
THERMOSTAT
THERMOSTAT
1234
ZONE 3
MOTOR
END
SWITCH
4 WIRE ZONE VALVE
(POWER OPEN,
SELF CLOSING)
T STAT 1
VALVE 1
T STAT 2
VALVE 2
T STAT 3
VALVE 3
T STAT 4
VALVE 4
POWER
END
SWITCH
EXTRA
END
SWITCH
MAIN
24
VAC
FACTORY
INSTALLED
TRANSFORMER
120 VAC
INPUT
WHITE
BLACK
FOUR ZONE ZONE VALVE CONTROL
WITH OPTIONAL PRIORITY
BOILER
H
N
A
AQUASTAT ON
DHW HEATER
PRIORITY
ON
PRIORITY
ON
TO BOILER
AQUASTAT RELAY
ZVC 404
Note: When a circulator is used on the
priority zone instead of a zone valve,
jumper 3 and 4 of the priority zone.
1234
ZONE 4
PRIORITY
ZONE
JUMPER
3 & 4
SEE NOTE
TTT
TTT

Table of Contents

Related product manuals