EasyManua.ls Logo

Taco SR504-EXP - Aquastat Wiring

Default Icon
104 pages
Print Icon
To Next Page IconTo Next Page
To Next Page IconTo Next Page
To Previous Page IconTo Previous Page
To Previous Page IconTo Previous Page
Loading...
80
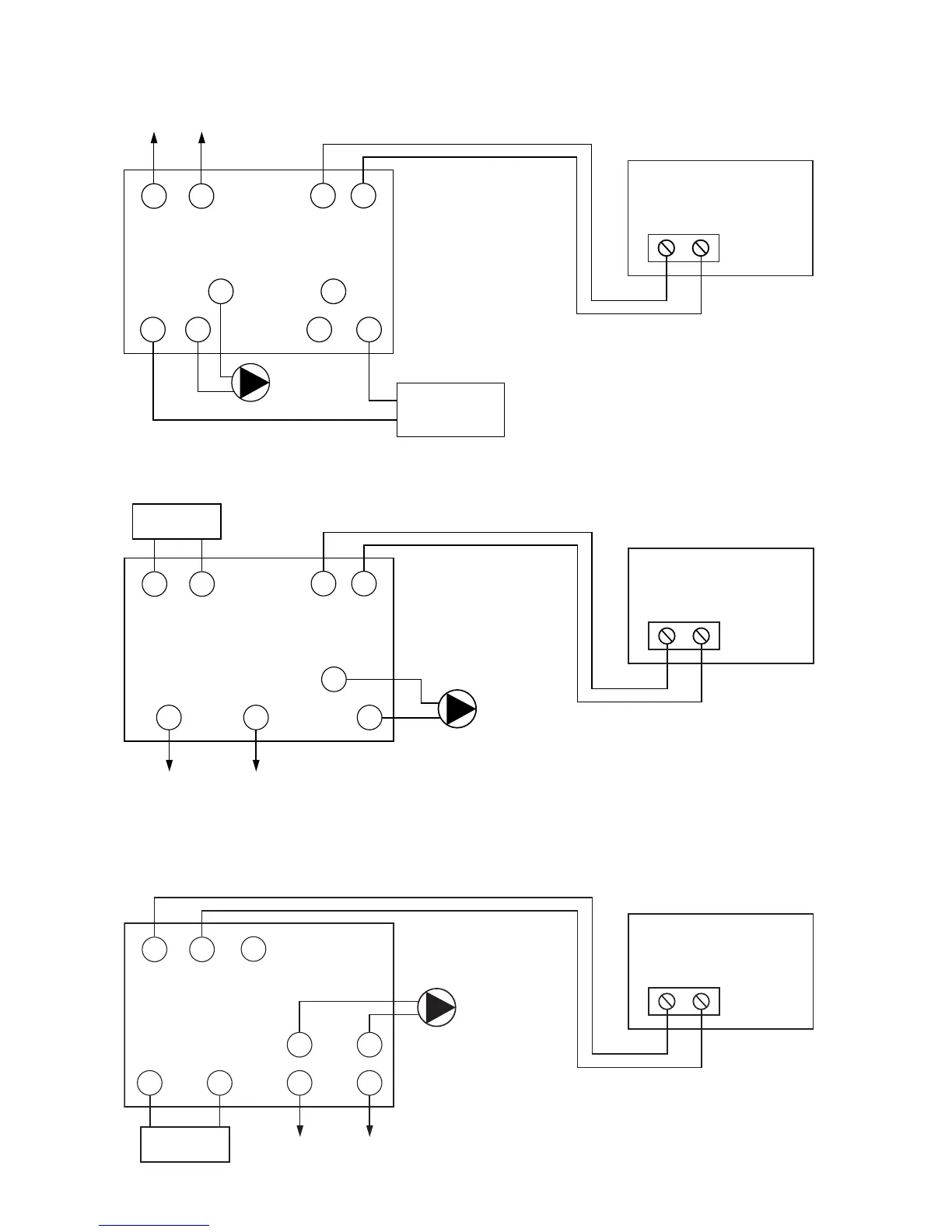
Aquastat Wiring
L1 L2
T T
L1
(HOT)
L2
(NEUTRAL)
LINE VOLTAGE
OIL BURNER RELAY
OR GAS VALVE
CIRCULATOR
ON BOILER
(IF ATTACHED)
B2 C2 B1ZR
TACO
ZONE
CONTROL
HONEYWELL L8124A & C OR EQUAL
120 VAC
INPUT
C1 ZC
END SWITCH
B1 B2
T T
L1
(HOT)
L2
(NEUTRAL)
CIRCULATOR
ON BOILER
(IF ATTACHED)
L1 C2L2
TACO
ZONE
CONTROL
HONEYWELL L8124B OR EQUAL
120 VAC
INPUT
C
MILLI-VOLTAGE
GAS VALVE
END SWITCH
TV T
Z
L1
(HOT)
L2
(NEUTRAL)
CIRCULATOR
ON BOILER
(IF ATTACHED)
L1
C2
L2
TACO
ZONE
CONTROL
HONEYWELL L8124E OR EQUAL
120 VAC
INPUT
C1
LOW VOLTAGE
GAS VALVE
END SWITCH
B1 B2

Table of Contents

Related product manuals