EasyManua.ls Logo

TAD Reference One - Horizontal Bi-Amping Setup

TAD Reference One
20 pages
Print Icon
To Next Page IconTo Next Page
To Next Page IconTo Next Page
To Previous Page IconTo Previous Page
To Previous Page IconTo Previous Page
Loading...
15
TAD-R1TX
English
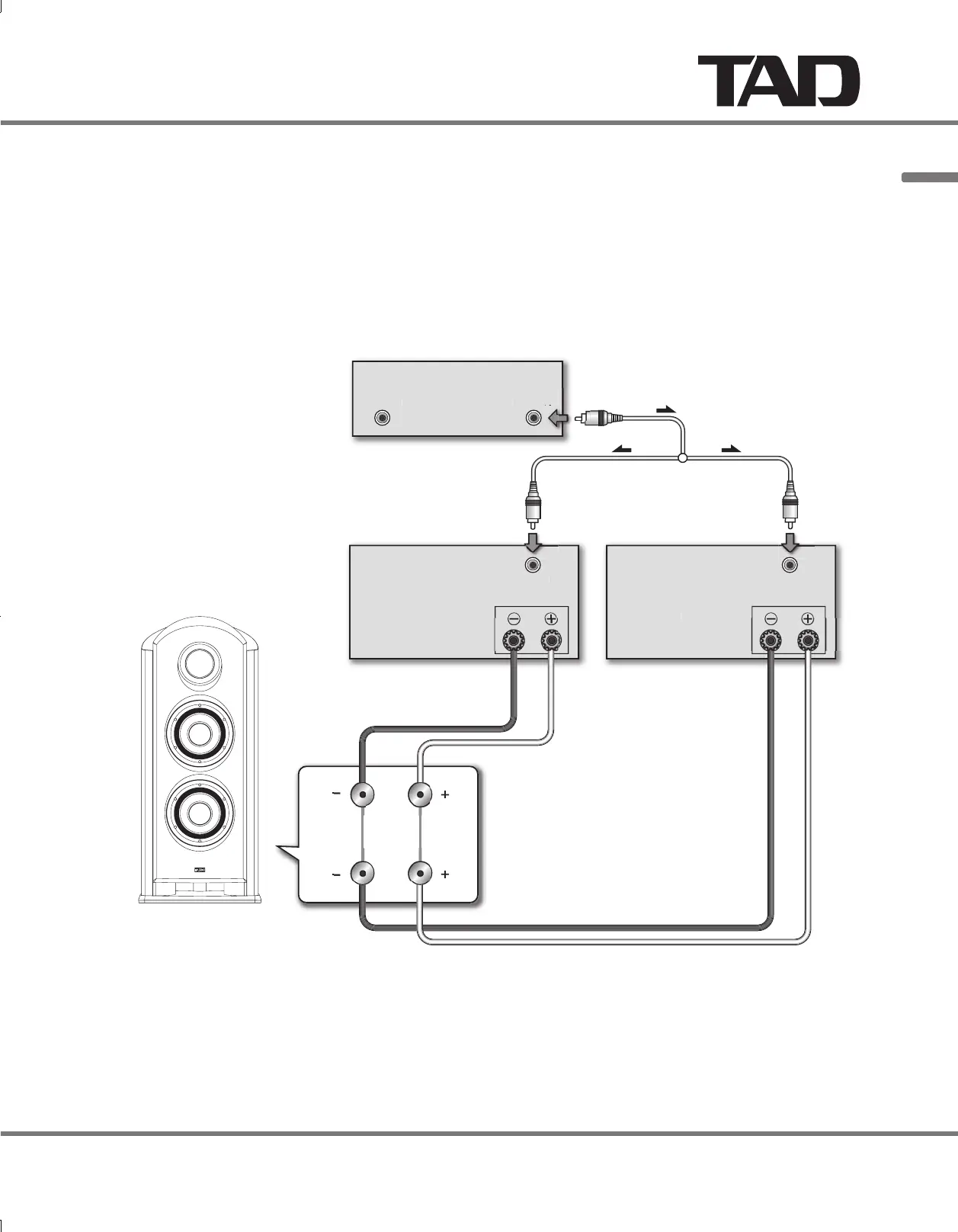
Horizontal Bi-Amping
With this configuration, you may use different stereo amplifiers for the low- and high-frequency sections of the loudspeaker (e.g., tube
amplifiers for high frequency and solid state for low frequency). Each channel of one amplifier drives the low-frequency section of each
loudspeaker and each channel of the other amplifier drives the high-frequency section, as shown in Figure 11.
This method requires that both amplifiers have the same gain; otherwise an imbalance will be heard between the low- and high-frequency
reproduction from the loudspeaker. If in doubt, please consult your TAD dealer.
HF
LF
SPEAKERS OUTPUT
INP
T
S
PEAKERS OUTPUT
INP
U
T
OUTPUT
UT
O
UTPUT
Figure 11. Connecting a TAD Reference One
loudspeaker in a horizontal bi-amplified system.
TAD Reference One
Pre-Amplifier
(rear)
Terminal Panel
“Y” Adaptor
(Not supplied)
(one channel shown)
(one channel shown)(one channel shown)
Amplifier
(rear)
(Use for high frequencies)
Amplifier
(rear)
(Use for low frequencies)

Related product manuals