EasyManua.ls Logo

Tanaka SUM-321 - Handlebar and Control Assembly Parts

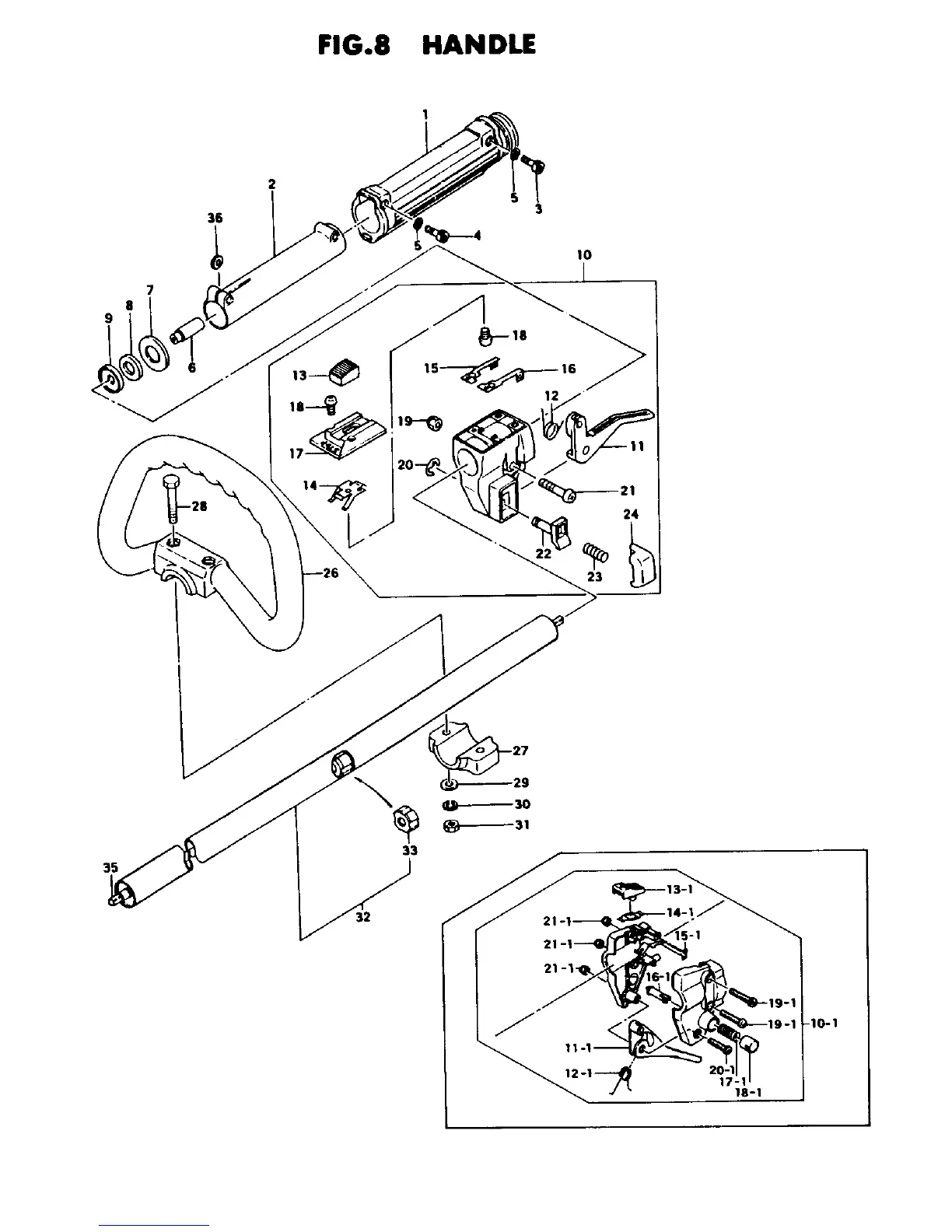
Tanaka SUM-321
21 pages
Print Icon
To Next Page IconTo Next Page
To Next Page IconTo Next Page
To Previous Page IconTo Previous Page
To Previous Page IconTo Previous Page
Loading...

Related product manuals