EasyManua.ls Logo

Tapco pmn - Output Wiring and Speaker Cables; Speaker Wire Gauge Selection

Default Icon
20 pages
Print Icon
To Next Page IconTo Next Page
To Next Page IconTo Next Page
To Previous Page IconTo Previous Page
To Previous Page IconTo Previous Page
Loading...
11
INPUT 2
INPUT
1
LINE
(BALANCED)
LINE
(BALANCED)
C
L
I
P
L
I
M
I
T
O
N
O
F
F
STEREO
S
UB
S
O
N
I
C
F
IL
T
E
R
A
T
30
Hz
O
N
O
F
F
AMP MODE
MONO
B
RI
D
GE
INPUT
CONNECTIO
N
BREAKER
CHANNEL 2 BRIDGED CHANNEL 1
CAUTI ON
SPEAKER CONNECTION
CHANNEL 2 CHANNEL 1
BRIDGE
D
TO REDUCE THE RISK
OF FIRE OR ELECTRIC
SHOCK, DO NOT
EXPOSE THIS
APPARATUS TO
RAIN OR MOISTURE.
SEE INSTRUCTIONS
BEFORE USING.
W
W
W
.T
A
P
C
O
GE
AR.COM
DESIGNED IN WOODINVILLE, WA, USA
"TAPCO" IS A REGISTERED TRADEMARK
OF LOUD TECHNOLOGIES INC.
INPUT 2
INPUT
1
LINE
(BALANCED)
LINE
(BALANCED)
C
L
I
P
L
I
M
I
T
O
N
O
F
F
STEREO
S
UB
S
O
N
I
C
F
IL
T
E
R
A
T
30
Hz
O
N
O
F
F
AMP MODE
MONO
B
RI
D
GE
INPUT
CONNECTIO
N
BREAKER
CHANNEL 2 BRIDGED CHANNEL 1
CAUTI ON
SPEAKER CONNECTION
CHANNEL 2 CHANNEL 1
BRIDGE
D
TO REDUCE THE RISK
OF FIRE OR ELECTRIC
SHOCK, DO NOT
EXPOSE THIS
APPARATUS TO
RAIN OR MOISTURE.
SEE INSTRUCTIONS
BEFORE USING.
W
W
W
.T
A
P
C
O
GE
A
R.CO
M
DESIGNED IN WOODINVILLE, WA, USA
"TAPCO" IS A REGISTERED TRADEMARK
OF LOUD TECHNOLOGIES INC.
FROM MIXING CONSOLE
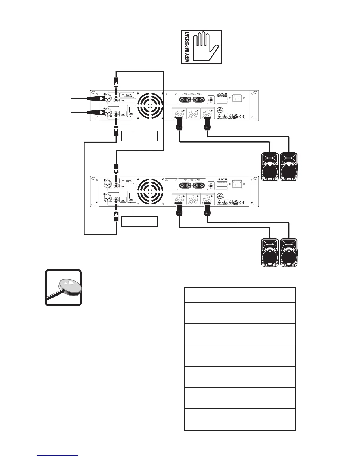
LEFT AND RIGHT MAIN OUT
AMP MODE SWITCH
STEREO
Passive Speakers (Mackie C300s)
AMP MODE SWITCH
STEREO
Passive Speakers (Mackie C300s)
Using the 1/4" TRS INPUT 1s a “Thru” Connector
Because the XLR connector and the 1/4" TRS
connector are in parallel, you can use the 1/4" TRS
jack as a “Thru” connector to pass the input signal on
to another amplifier’s input (see Figure below).
In MONO and BRIDGE modes,
INPUT 1 and INPUT 2 are
connected together in parallel.
This allows you to use INPUT 2 as a
“Thru” connector to daisy-chain the
input signal to another amplifier.
Output Wiring
Use heavy gauge, stranded wire for connecting
speakers to the Speakon outputs jacks. As the
distance between the amplifier and the speakers
increases, the thickness of the wire should also
increase. Speaker wire has resistance, and when
electricity passes through a resistor, power is lost. The
thicker the wire, the less resistance it offers, and the
more power actually gets to the speaker.
The thickness of the wire is rated in gauges. Use the
chart at the right to determine the correct gauge of
wire to use according to the distance between the
speakers and the amplifier, and the impedance of
the load the amplifier is driving. This ensures that the
power lost across the speaker wire is less than 0.5 dB.
Note: If you use an unbalanced
1/4" TS cable to daisy-chain
the TRS input jack to another
amplifier, you will unbalance the
XLR input on the Juice amplifier.
This negates the benefits
associated with balanced lines
and inputs.
Load Gauge of
Wire Length Impedance Wire
Up to 25 ft. 2Ω 14 gauge
4Ω 16 gauge
8Ω 18 gauge
Up to 40 ft. 2Ω 12 gauge
4Ω 14 gauge
8Ω 18 gauge
Up to 60 ft. 2Ω 10 gauge
4Ω 12 gauge
8Ω 16 gauge
Up to 100 ft. 2Ω 8 gauge
4Ω 10 gauge
8Ω 14 gauge
Up to 150 ft. 2Ω 6 gauge
4Ω 8 gauge
8Ω 12 gauge
Up to 250 ft. 2Ω 4 gauge
4Ω 6 gauge
8Ω 10 gauge
Using the 1/4" TRS INPUT 1s a Thru Connector
LOOK
CLOSER

Related product manuals