EasyManua.ls Logo

Tar River DLT-50 - Page 24

Default Icon
30 pages
Print Icon
To Next Page IconTo Next Page
To Next Page IconTo Next Page
To Previous Page IconTo Previous Page
To Previous Page IconTo Previous Page
Loading...
24
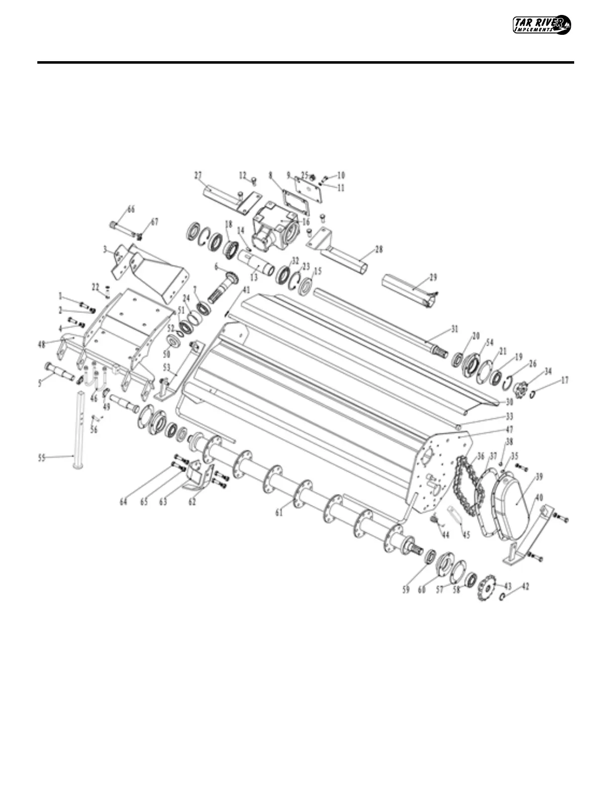
Sub-Compact Rotary Tiller DLT & DLT-S Series
DLT-S Series Rotary Tiller

Related product manuals