EasyManua.ls Logo

Target DT15E - Page 28

Target DT15E
52 pages
Print Icon
To Next Page IconTo Next Page
To Next Page IconTo Next Page
To Previous Page IconTo Previous Page
To Previous Page IconTo Previous Page
Loading...
28
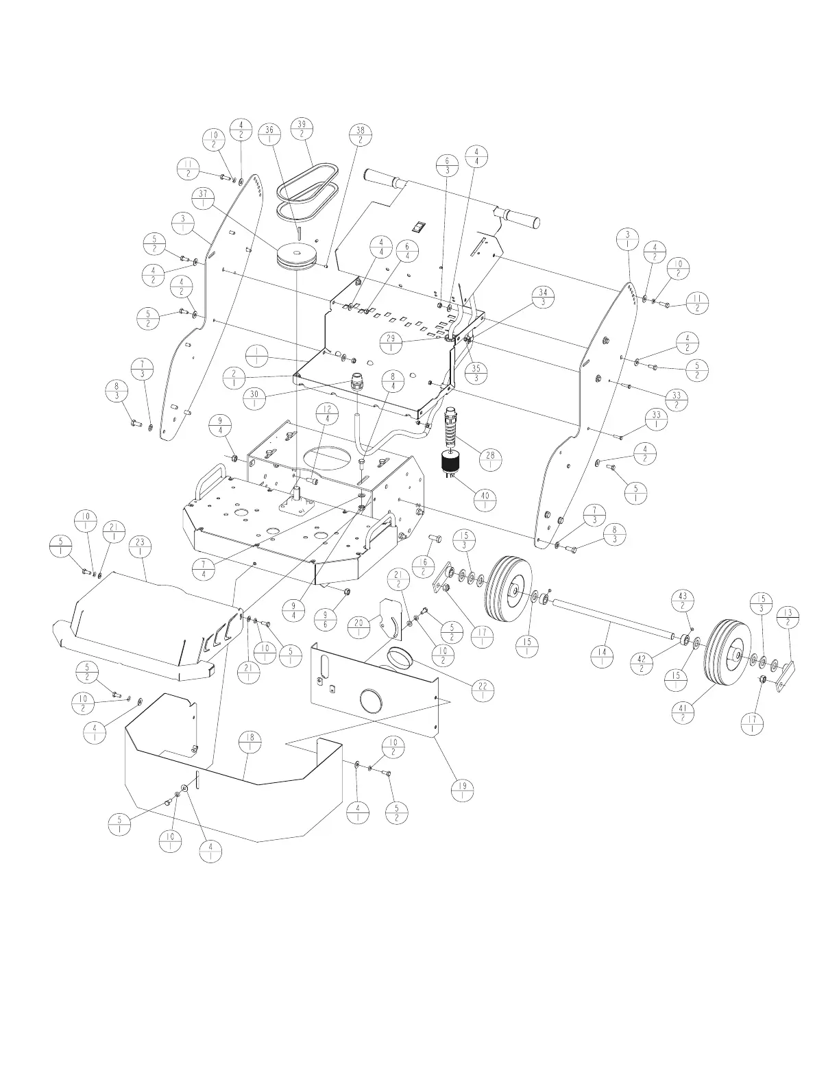
Diagram 1 – Final Assembly Group, 1.5 hp Electric