EasyManua.ls Logo

Target DT15E - Page 44

Target DT15E
52 pages
Print Icon
To Next Page IconTo Next Page
To Next Page IconTo Next Page
To Previous Page IconTo Previous Page
To Previous Page IconTo Previous Page
Loading...
44
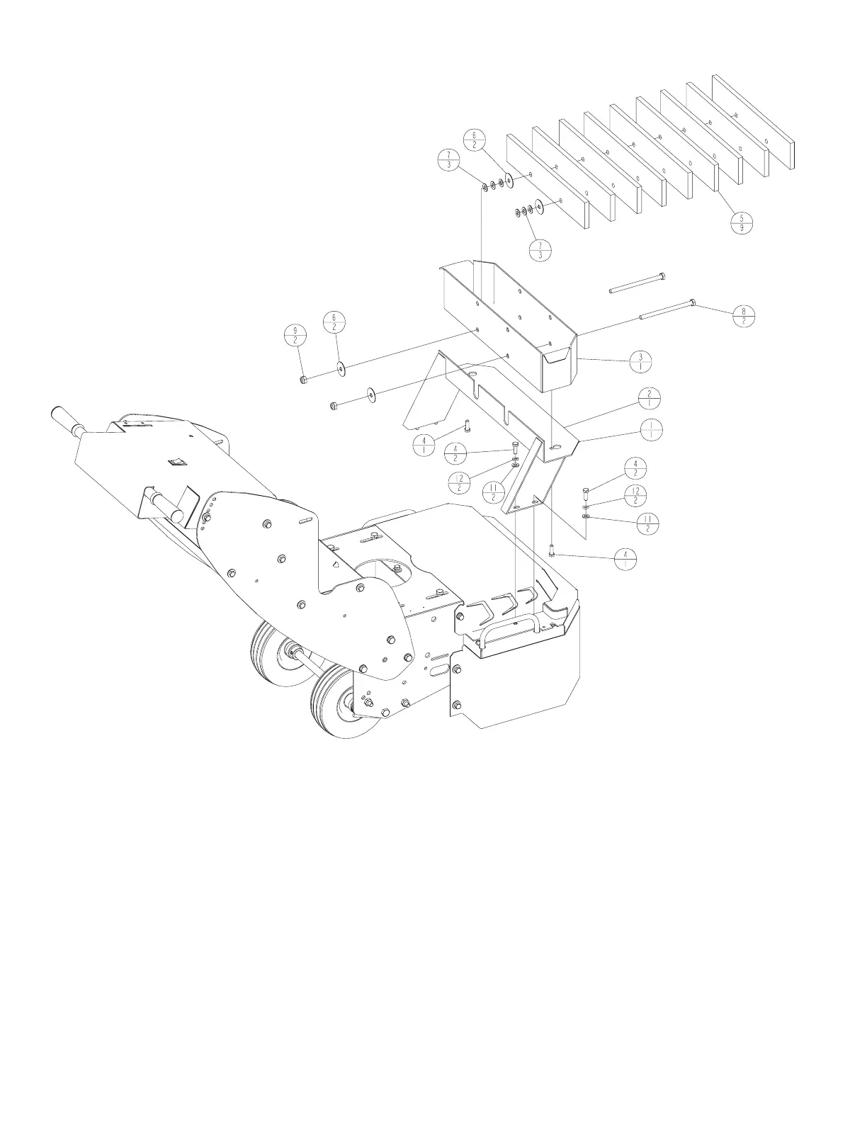
Diagram 9 – Weight Kit (Optional) – P/N 177856 Complete Kit
Diagram 9 Parts List – Weight Kit (Optional) – P/N 177856 Complete Kit
ITEM P/N DESCRIPTION QTY
1 177856 Weight Kit (Complete-Includes Items 2-12) 1
2 177809 Weight Tray Weldment 1
3 177811 Weight Box Weldment 1 [Max. Capacity: 18 Bars (Item 5)]
4 167478 Capscrew, Hex Hd M8 x 1.25 x 25mm 6
5 180418 Bar, Weight, (6.5 Lbs. each) 9
6 177890 Washer, Flat 1.50 OD x .406 ID x .062 Thk 4
7 020764 Washer, Flat .375 SAE 6
8 166613 Capscrew, Hex Hd M10 x 1.50 x 150mm 2
9 139748 Locknut, Fiber M10 x 1.50 2
10 071331 Carton, Plain 1
11 020763 Washer, Flat .312 SAE 4
12 020785 Lockwasher, Split .312 Dia 4