EasyManua.ls Logo

Target osa DA7874 - Bunk Bed Assembly Procedures; Step 1: Top Bed Headboard and Footboard

Target osa DA7874
18 pages
Print Icon
To Next Page IconTo Next Page
To Next Page IconTo Next Page
To Previous Page IconTo Previous Page
To Previous Page IconTo Previous Page
Loading...
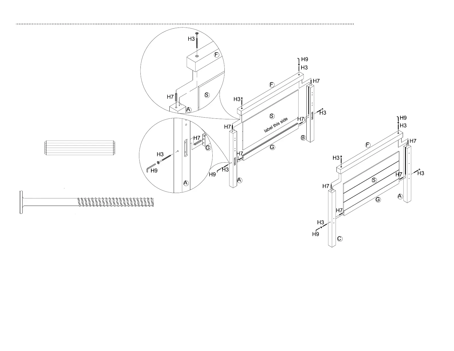
step 1.
(H7) x 8
Top Bed Head and Footboard
3. Attach the headboard top rail (F) to top posts (A & B) with wood joint connectors (H3) using allen key (H9).
8
(H3) x 8
wood joint connector (4mm hex head)
ø6.5 x 100mm
small wood dowel
ø10 x 50mm
4. Repeat this step to assemble other headboard using top posts (A & C).

Related product manuals