EasyManua.ls Logo

Task Force 26053 - Parts Diagram; Visual Parts Identification

Task Force 26053
11 pages
Print Icon
To Next Page IconTo Next Page
To Next Page IconTo Next Page
To Previous Page IconTo Previous Page
To Previous Page IconTo Previous Page
Loading...
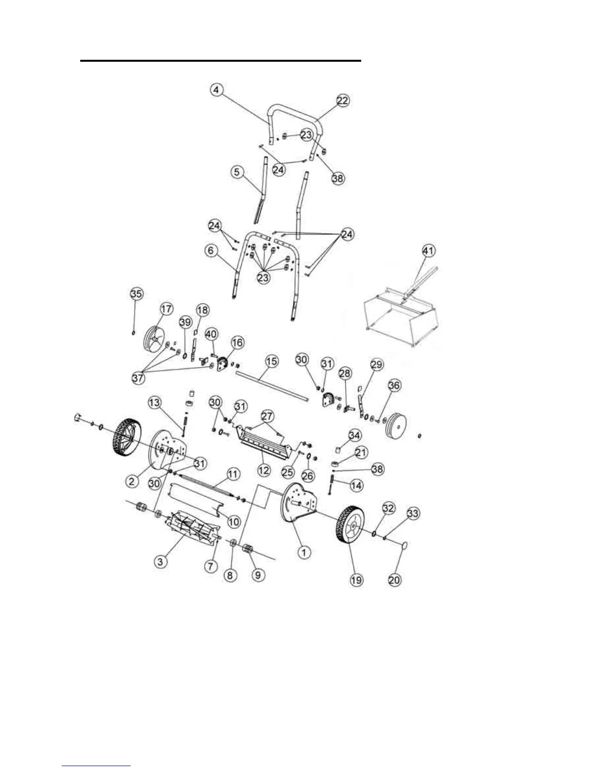
PARTS DIAGRAM
10

Related product manuals