EasyManua.ls Logo

TCM FB15-7 - Page 82

TCM FB15-7
175 pages
Print Icon
To Next Page IconTo Next Page
To Next Page IconTo Next Page
To Previous Page IconTo Previous Page
To Previous Page IconTo Previous Page
Loading...
5. BRAKE SYSTEM
- 70 -
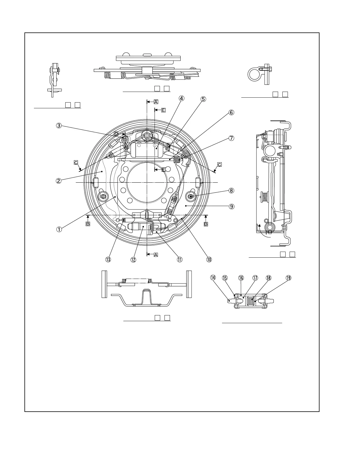
Fig. 5.12 Wheel Brake (3- to 3.5-ton Trucks)
1. BRAKE LEVER
2. SECONDARY SHOE
3. E RETAINER
4. WHEEL CYLINDER
5. RETURN SPRING
6. STRUT
7. SPRING
8. SHOE HOLD-DOWN PIN
9. PRIMARY SHOE
10. SPRING
11. ADJUSTER LEVER
12. ADJUSTER
13. SPRING
14. PUSH ROD
15. BOOT
16. CYLINDER
17. PISTON
18. SPRING
19. CUP
Shoe
expanding
direction
Sectional view
C
-
C
Sectional view
D
-
D
Sectional view
E
-
E
Sectional view
A
-
A
Sectional view
B
-
B
Sectional view of wheel cyl.

Table of Contents

Other manuals for TCM FB15-7

Related product manuals