EasyManua.ls Logo

TCM FG40T9 - Page 72

TCM FG40T9
291 pages
Print Icon
To Next Page IconTo Next Page
To Next Page IconTo Next Page
To Previous Page IconTo Previous Page
To Previous Page IconTo Previous Page
Loading...
2-28
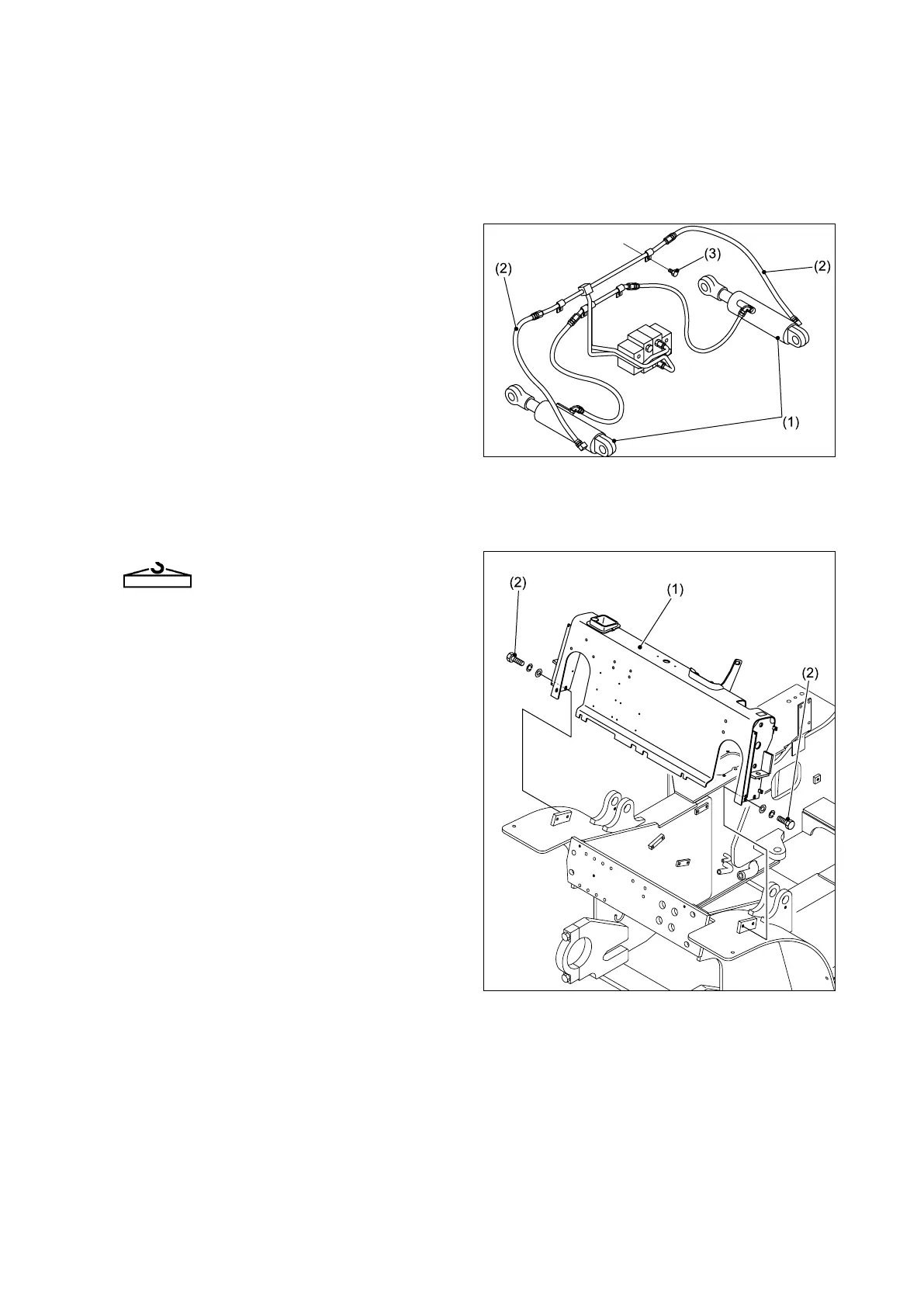
Fig. 2.81
Fig. 2.82
Remove the wiring to the parking brake
switch.
Remove the brake oil reservoir.
Note: The reservoir should be removed with brake
oil in it.
Remove the bolts (3) that secure the pipes (2)
leading to the tilt cylinders (1), to the front
guard.
Remove the four mounting-bolts (2) at the
right and left sides of the front guard (1).
Remove the front guard (1) by hoisting it.
40 kg [88 lbs]

Related product manuals