EasyManua.ls Logo

Teac A-300 - Block Diagram; Circuit Block Diagram

Teac A-300
40 pages
Print Icon
To Next Page IconTo Next Page
To Next Page IconTo Next Page
To Previous Page IconTo Previous Page
To Previous Page IconTo Previous Page
Loading...
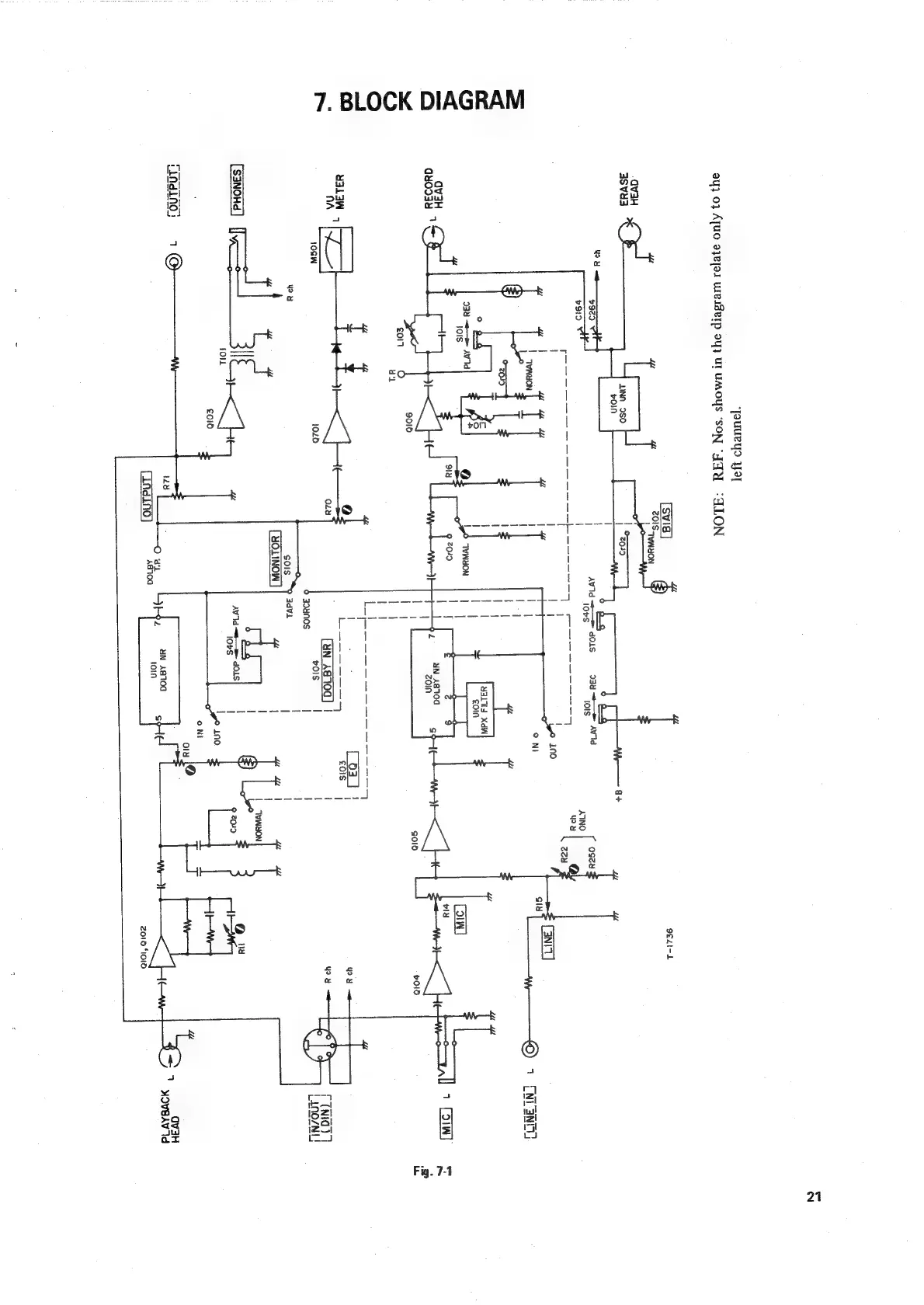
7.
BLOCK
DIAGRAM
‘jouueyo
19]
ay}
0}
Ajo
ayejar
WresZeIp
oy}
UL
UMOYS
“SON
“AAU
“ALON
-QV3H
f
aSvua
AINA
3SO
|
poin
1
you
\
|
AV
1d
~--—™
dOLls
03u
~+—>
AV1d
\
lors
lols
MAINO
_
—_
—_
ek
ee
-
7
ey,
yoy
|
10
1n0
|
oN!
mnie
1
CNTENG
°o
£8
5
23Y
oe
AV
Td
&
|
JOIS
av3H
:
i
auooay
7
8
an
4700
r<ch
[oI]
9010
Y3L3W
P
ee
you
nA
|
ee
r<
fH
;
-——
we
r.
10SW
1020
(NIG)
|
LLNO/NI
ee
sols
YOLINOW
[saNoHd]
i
AV
Id
dOLs
@
1
cingiio}
9
,
|
oe
:
?
YN
48100
<=
4
yOVBAY
Id
fo1n
1Ndino
ZO10
“1010
Fig.
7-1
21

Related product manuals