EasyManua.ls Logo

Teac D-70 - Analog, Word, and Bal SW PCB Schematics; Analog PCB Schematic (Part 1); Word and Bal SW PCB Schematics

Teac D-70
23 pages
Print Icon
To Next Page IconTo Next Page
To Next Page IconTo Next Page
To Previous Page IconTo Previous Page
To Previous Page IconTo Previous Page
Loading...
86 74 52 31
E
D
C
B
A
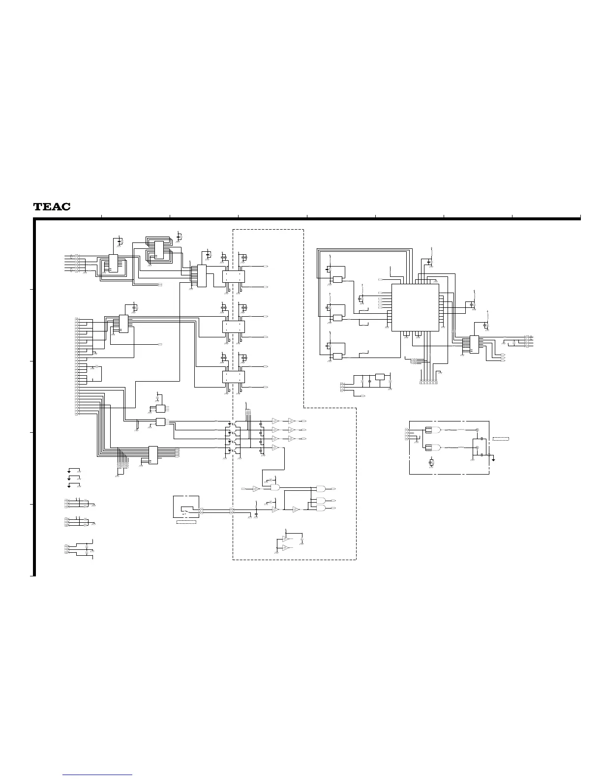
SCHEMATIC DIAGRAM
D-70
ANALOG PCB (1/2), WORD PCB, BAL SW PCB
MULTI D/A CONVERTER
DD--7700
1 st Issue; May 2002
DOR
DOLB
DOL
DORB
to PCB,ANALOG (2/2)
to PCB,ANALOG (2/2)
\ -- 48 96 192
LPFSEL2 0 0 1 1
LPFSEL1 0 1 0 1
to PCB,ANALOG (2/2)
\ OLD 12 33 36 --
XTLSEL2 0 0 1 1
XTLSEL1 0 1 0 1
H : EXT
L : INT
to PCB,WORD
\ /2 /4 /8 /16
BCKSEL2 0 0 1 1
BCKSEL1 0 1 0 1
\ 24 33 36 --
XTLSEL2 0 0 1 1
XTLSEL1 0 1 0 1
JTAG
PCB,WORD
to CLK PLD
to DAC,RAM
to DAC,RAM
to RDOT
from PCB,PWR DIGI
from PCB,PWR ANA
from PCB,PWR ANA
from PCB,PWR ANA
ana_power
DACana_power
DACdigi_power
from PCB,DIGITAL
L:3XX R:4XX
PCB,ANALOG (1/2)
BCKO
WCKO
WCKI
BCKI
from CLK section
from CLK section
BCKSEL1
BCKSEL2
RELAY (L:mute)
WRDSEL1
WRDSEL2
LPFSEL1
LPFSEL2
XTSEL1
XTSEL2
+7VC
GNDC
XRST
L:mute H:mute L:mute
PCB,BAL SW
XLR
RCA
H:Output
H:RCA
H:XLR
L:RCA
H:XLR
<< Digital Section >>
<< Analog Section >> << Clock Section >>
<< Relay Logic Section >>
RAMOFF
16M_EN
22M_EN
24M_EN
to 12V ZONE
from P302
E901336-00A
E901334-00A
E901339-00A
BCK
WCK
WORDOUT
EXTBCK
EXTWCK
INTWCK
INTBCK
DOL
DOLB
DORB
DOR
+5VD
+5VD
GNDD
GNDD
+5VD
GNDDA
+5VDA
+5VD
+5VDA
GNDDA
GNDDA
GNDD
+5VD
+5VD
+5VD
+5VDA
+5VDA
GNDDA
GNDDA
GNDDA
GNDD
+5VDA
+5VD
GNDD
GNDD
GNDA
GNDC
GNDC
GNDC
GNDC
GNDC
+5VC
+5VC
GNDC
GNDC
GNDC
GNDC
GNDC
GNDC
GNDC
GNDC
GNDC
GNDC
GNDC
CHASSIS GND
GNDC
+5VC
+5VC
GNDC
GNDD
GNDD
+5VD
GNDD
GNDD
GNDD
+5VDA
+5VA
GNDA
GNDDA
GNDD
GNDD
GNDD
+5VD
+12VA
GNDD
GNDD
+5VA
+5VD
-5VA
GNDD
GNDD
-5VDA+5VDA
GNDD
+5VD
GNDD
GNDD
-12VA
GNDC
+5VC
GNDD
GNDD
+5VD
GNDD
+5VA
GNDA GNDA
GNDA
+5VA
GNDA
+5VA
GNDDCHASSIS GND 1
GNDDCHASSIS GND 2
GNDDCHASSIS GND 3
+5VC
GND12
GNDA
+5VA
GNDA
GNDA
+5VC
+5VC
+5VC
+5VC
+5VC
+5VC
+5VC
+5VC
+5VC
+5VC
+5VC
U302B
74VHC139
14 12
13 11
10
15 9
AY0
BY1
Y2
GY3
C303 1000/16V
12
C912
0.1
1 2
R417
47K
1 2
P312
PH-6
1
2
3
4
5
6
P304
EH3
1
2
3
L306
4.7u
U305
ISO150AU
1
2
3
12
13
14 15
16
17
26
27
28
D 1A
R/T 1A
V SA
G B
R/T 1B
D 1B D 2B
R/T 2B
V SB
G A
R/T 2A
D 2A
C316
0.1
12
C324
0.1
12
C419
0.1
12
C328
0.33
1 2
C309
0.1
12
P307
EH-2P
1
2
C315
1000p
12
C417
0.1
12
J302
BNC
1
2
R401 22
1 2
P310
EH-2P
1
2
R302
10
1 2
U302A
74VHC139
2 4
3 5
6
1 7
AY0
BY1
Y2
GY3
U340F
74HC14
13 12
C312
0.1
12
R324
10
1 2
R323
10
1 2
R315 10
1 2
C416
47/16V OS
12
P306
EH-4
1
2
3
4
U330B
74VHC08
4
5
6
C411
0.1
12
U306A
PC3Q66Q
12
1615
U306B
PC3Q66Q
34
1413
C305 1000/16V
12
U340D
74HC14
9 8
C981
47/25V
12
C326
0.1
12
C319
1000p
12
C406
47/16V OS
12
P311
EH-4
1
2
3
4
R403 22
1 2
C322
0.1
12
P302
EH3
1
2
3
X302
24.5760MHz
8
54
1
VCC
OUTGND
EN
U338E
74HC14
11 10
R301
10
1 2
R405
47K
12
R322
10
1 2
L305
4.7u
C325
0.1
12
C403
0.1
12
C958
0.1
12
L302
4.7u
C908
0.1
12
P303
EH3
1
2
3
C308
100/16V
12
C420
47/16V OS
12
R406
3.9K
1 2
R404
47K
12
U303
ISO150AU
1
2
3
12
13
14 15
16
17
26
27
28
D 1A
R/T 1A
V SA
G B
R/T 1B
D 1B D 2B
R/T 2B
V SB
G A
R/T 2A
D 2A
C410
47/16V OS
12
R320
22
1 2
C
RA304
RGLE4X103J
1 2
3
4
5
C913
47/25V
12
U306C
PC3Q66Q
56
1211
R408
3.9K
1 2
C310
47/16V OS
12
R305
10
1 2
P305
EH3
1
2
3
C408
47/16V OS
12
U338C
74HC14
5 6
C401
0.1
12
U330A
74VHC08
1
2
3
U338F
74HC14
13 12
U338D
74HC14
9 8
C
RA303
RGLE4X103J
1 2
3
4
5
R321
10
1 2
C307
1000/16V
12
L304
4.7u
C405
0.1
12
R304
10
1 2
C320
0.1
12
C959
47/25V
12
U340E
74HC14
11 10
L301
4.7u
U330D
74VHC08
12
13
11
U340B
74HC14
3 4
L331
FERRITE BEAD
C317
1000p
12
C413
0.1
12
X301
22.5792MHz
8
54
1
VCC
OUTGND
EN
C428
100/16V
1 2
R303
10
1 2
R376
10K
12
C306
1000/16V
12
U304
ISO150AU
1
2
3
12
13
14 15
16
17
26
27
28
D 1A
R/T 1A
V SA
G B
R/T 1B
D 1B D 2B
R/T 2B
V SB
G A
R/T 2A
D 2A
R319 10
1 2
R407
3.9K
1 2
U337
74VHC541
2
3
4
5
6
7
8
9
1
19
18
17
16
15
14
13
12
11
A1
A2
A3
A4
A5
A6
A7
A8
G1
G2
Y1
Y2
Y3
Y4
Y5
Y6
Y7
Y8
S301
TOGGLE2
2
3
1
C321
1000p
12
U340C
74HC14
5 6
U340A
74HC14
1 2
C415
0.1
12
L330
FERRITE BEAD
R314 10
1 2
J303
BNC
1
2
C302 1000/16V
1 2
U339
BA05FP
1
2
3
IN
GND
OUT
U331B 74S140
9
10
12
13
8
C402
47/16V OS
12
P308
EH6P
1
2
3
4
5
6
R416
47K
1 2
U312
74VHC541
2
3
4
5
6
7
8
9
1
19
18
17
16
15
14
13
12
11
A1
A2
A3
A4
A5
A6
A7
A8
G1
G2
Y1
Y2
Y3
Y4
Y5
Y6
Y7
Y8
X303
16.3840MHz
8
54
1
VCC
OUTGND
EN
U301
74VHC153
6 7
5
4
3
10 9
11
12
13
14
2
1
15
1C0 1Y
1C1
1C2
1C3
2C0 2Y
2C1
2C2
2C3
A
B
1G
2G
U306D
PC3Q66Q
78
109
C311
1000p
12
U331A 74S140
1
2
4
5
6
R402 22
1 2
R306
10
1 2
C327
0.1
12
U335 74VHCT541
2
3
4
5
6
7
8
9
1
19
18
17
16
15
14
13
12
11
A1
A2
A3
A4
A5
A6
A7
A8
G1
G2
Y1
Y2
Y3
Y4
Y5
Y6
Y7
Y8
U338B
74HC14
3 4
C329
47/16V OS
12
R313 10
1 2
C
RA302
RGLE4X103J
1 2
3
4
5
P301
FMN-33P
1
2
3
4
5
6
7
8
9
10
11
12
13
14
15
16
17
19
20
21
22
23
24
25
26
18
27
28
30
29
31
32
33
L307
4.7u
C412
47/16V OS
12
C318
0.1
12
C404
47/16V OS
12
R415
10K
12
C304 1000/16V
1 2
C911
0.1
1 2
U336
74HC541
2
3
4
5
6
7
8
9
1
19
18
17
16
15
14
13
12
11
A1
A2
A3
A4
A5
A6
A7
A8
G1
G2
Y1
Y2
Y3
Y4
Y5
Y6
Y7
Y8
C418
47/16V OS
12
C
RA301
RGLE4X103J
12
3
4
5
C301
47/16V OS
12
R409
3.9K
1 2
L303
4.7u
R377
75
1 2
U334 74VHC541
2
3
4
5
6
7
8
9
1
19
18
17
16
15
14
13
12
11
A1
A2
A3
A4
A5
A6
A7
A8
G1
G2
Y1
Y2
Y3
Y4
Y5
Y6
Y7
Y8
U311
XC9536-7VQ44C
1
2
3
4
5
6
7
8
9
10
11
12
13
14
15
16
17
18
19
20
21
22
23
24
25
26
27
28
29
30
31
32
33
34
35
36
37
38
39
40
41
42
43
44
CLK48
PGND
PGND
GND
C_CLK
PGND
PGND
PGND
TDI
TMS
TCK
PGND
PGND
PGND
VCC
PGND
GND
PGND
INT_BCK
PGND
PGND
INT_WCK
PGND
TDO
GND
VCC
WRD_OUT
PGND
16M_EN
22M_EN
24M_EN
RESET
WRDSEL2
WRDSEL1
VCC
BCKSEL2
BCKSEL1
XTLSEL2
XTLSEL1
PGND
CLK32
PGND
CLK44
PGND
R378
75
1 2
C414
47/16V OS
12
C313
1000p
12
C909
47/16V OS
12
C314
0.1
12
U330C
74VHC08
9
10
8
R418
47K
1 2
U338A
74HC14
1 2
C407
0.1
12
C409
0.1
12
C323
47/25V
12
BCK
WCK
XTLSEL1
XTLSEL2
INT_BCK
WRDSEL1
C_CLK
BCKSEL2
WRDSEL2
INT_WCK
BCKSEL1
DORB
DOR
DOLB
DOL
XRST
C_CLK
INTBCK
INTWCK
BCKSEL1
BCKSEL2
XTSEL2
WRDSEL2
WRDSEL1
XTSEL1
RCAOUT
XLR2OUT
XLR1OUT
LPF96
LPF192
LPF48
XRST
WORD SYNC
OUTPUT SELECT
from PCB,DIGITAL
注意
1.抵抗の単位はΩ(k=kΩ,M=MΩ)です。
2.コンデンサの単位はμF(p=pF)です。
3.£マークのある部品は安全規格重要部品です。
交換するときは必ずティアック指定の部品を使用してください。

Related product manuals