EasyManua.ls Logo

Teac ESOTERIC P-2S - SCHEMATIC DIAGRAM P-2 S MAIN(2;2) PCB

Teac ESOTERIC P-2S
31 pages
Print Icon
To Next Page IconTo Next Page
To Next Page IconTo Next Page
To Previous Page IconTo Previous Page
To Previous Page IconTo Previous Page
Loading...
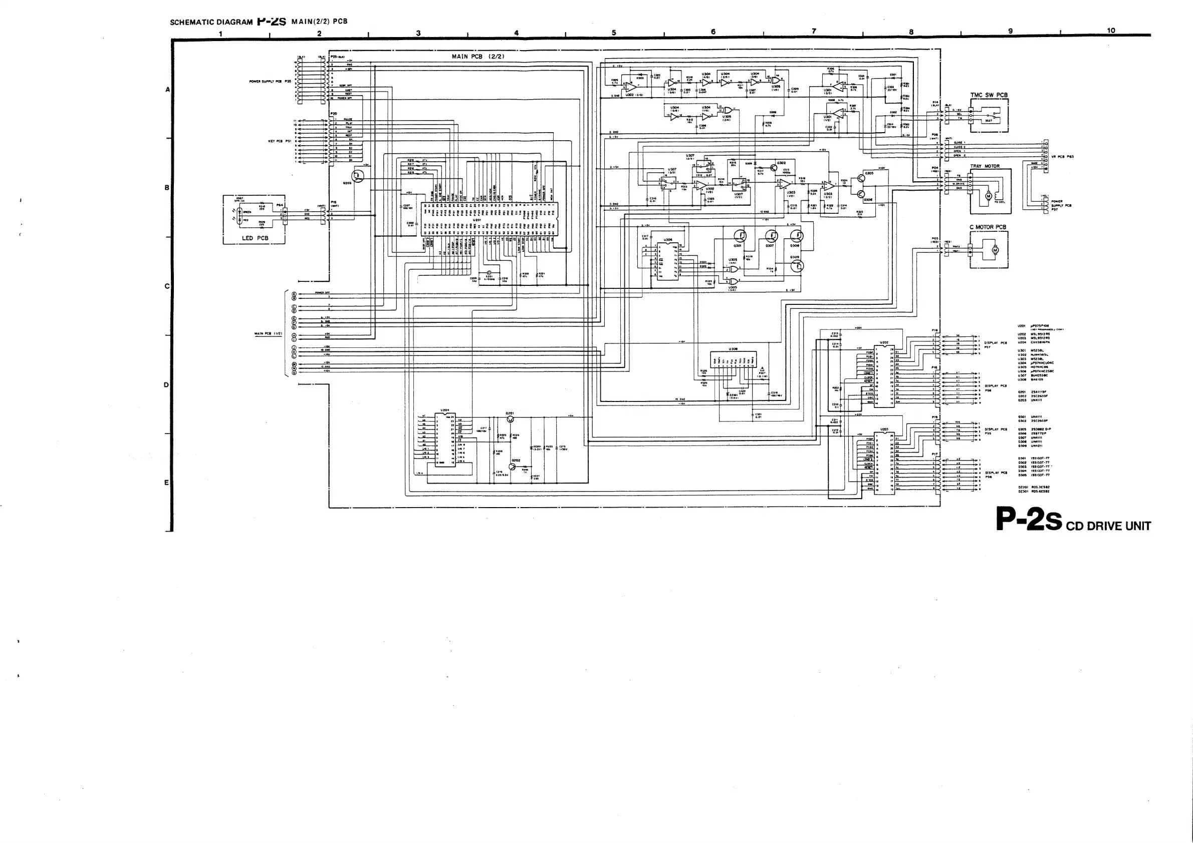
SCHEMATIC
DIAGRAM
P?=ZS
MAIN(2/2)
PCB
u
6
7
9
10
ima
tos
Fan
MAIN
PCB
(2/2)
KEY
Pca
P51
io
|
|
Pe
hg
Gt
ea
oe
ig
a
reer
es
<r
Ge
eed
ess
A=
=H
pa
YP
oe
SAE
il
&
N
SS
[>|
so.
~
[___LeD
pce
3
Pos
(mens
1ee0!
z
veers
u201_pPorsPtos
(et
Pmocaaera
y
Com
u202
MSLO5I2RS.
U203
-MSLOSIZRS
OtsPLay
pce
u204
CxKSeI6PN
ps?
MAIN
PCB
(172)
usor
mSz3a.
u302
NUMAS69U.
u303
M5238.
usoa
yPoraHcUOAC
U305-
MOTeHCeS
USO6
yROTeWcz3ec
©G2®
C80
OD
O80
OO
GD
usor
Bus0538C
u3s0e
846109
OISPLaY
PCB
azot
2sannse
a202
2sc2603F
203
UNATIT
Q301
Nant
Q302
2sc2603F
7
pispLay
pce
=
a303
2spes2
oP
pss
306
2887720
0307
Nant
308
UNatt
308
uNaait
ps1
1ssisst-77
Os0z
198133T-77
0303
ISSISST-77*
p30
sStasT-77
0303
198133T-77
otseay
eco
poe
Ozz201
ROS.3E582
OZ301
RDS.6ESBZ
P-2s
CD
DRIVE
UNIT

Related product manuals