EasyManua.ls Logo

Teac MC-DX33 - Page 30

Teac MC-DX33
36 pages
Print Icon
To Next Page IconTo Next Page
To Next Page IconTo Next Page
To Previous Page IconTo Previous Page
To Previous Page IconTo Previous Page
Loading...
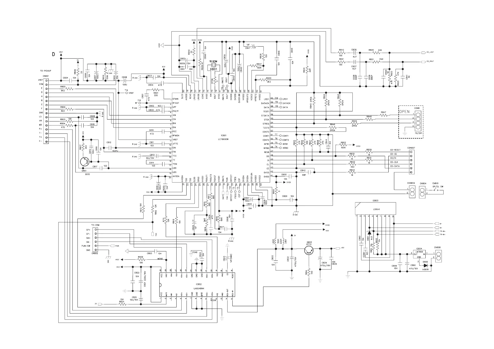
Power+SUB PCB
MC-DX33
Micro Hi-Fi system

Related product manuals