EasyManua.ls Logo

Teac MC-DX33 - Page 36

Teac MC-DX33
36 pages
Print Icon
To Previous Page IconTo Previous Page
To Previous Page IconTo Previous Page
Loading...
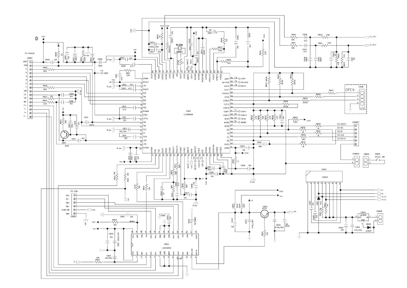
CD PCB
MC-DX33
Micro Hi-Fi system

Related product manuals