EasyManua.ls Logo

Teac MT-20D-IO - Page 14

Teac MT-20D-IO
253 pages
Print Icon
To Next Page IconTo Next Page
To Next Page IconTo Next Page
To Previous Page IconTo Previous Page
To Previous Page IconTo Previous Page
Loading...
VJ
o
N
READ
IIEAD
I
I
I
I
I
INDICATOR.
fRONT
PANEL
WRIT[
HUD
I------------~\
~
f-I
READ
WRITE
E\
ERASE
I
I
TR
0/2
I
I
AMOOE
I
I
WD
I
WEN
I
EEN
ECLK
TA
012
I
TA
Ill.
~~O
~
I
~e,
I
I
I
: :
SOLENOID,
I
!
MOT~~S"'
--
~,~"
:~:~T
~
.-1-..1.
'
1L
-
v
-
S
:
_____
--'
I !lllAD
READ
I
I
DSO
I
TSI
T50
CONTROL
I
E\
I
SERVO
I
GO
I
fWD
I
HIS
I
LOK
I
Ll
WRITE
I
: I
ERASE
HEAD
I
I I
I
~
fJ-~'~
~
,~,,~
:
- -
~
ENCOOE!i
I
~
Dp
I
LEO~~OT/EOT
T
- I I
\~
- - - - - - - - -
~
~I
CAS~!!E
LOAD
I
FI . PRnTFC I
MOTOR.
REV
I
MOTOR
fWD
I
I
12'1
OV
I
L-----t--~-----J
POWER
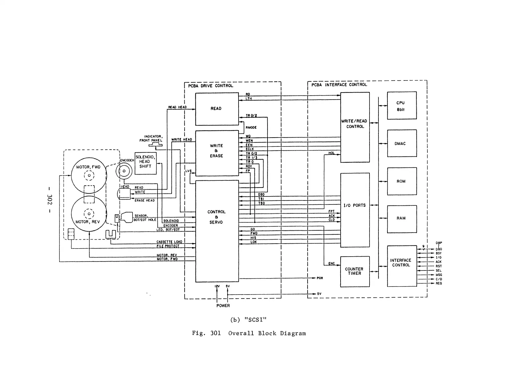
(b)
"SCSI"
Fig.
301
Overall
Block
Diagram
i PCBA
iNTERFAcE
CoNrRoL-
- - - - - - - - -l
I
I
I
I
CPU
I
I
--
I
I
Bbll
I
I
I
I
WRITE/READ
r-
I
I
CONTROL
I
I
I
I
I
r-
DMAC
I
I
~
I
I
I
I
I
I
I
I
I
I
----
ROM
I
I
I
I
I
I
I
1/0
PORTS
r-
£]
I
fPT
I
ACK
I
eLD
I
I
I
I
I
I
I
I
or
~
o 0
BSY
INTERFACE
110
~
ACK
r-
CONTROL
~
RST
COUNTER
=t:
TIMER
r-
SEL
..
POR
MSG
-+-
CIO
REO
I
..
~V
I
L
___________________
J

Related product manuals