EasyManua.ls Logo

Teac MT-20D-IO - Page 64

Teac MT-20D-IO
253 pages
Print Icon
To Next Page IconTo Next Page
To Next Page IconTo Next Page
To Previous Page IconTo Previous Page
To Previous Page IconTo Previous Page
Loading...
BASIC
tlF
TR~
TRI
WOA
WEN
EEN
050
THO
GO
REV
HSD
RST
UTH
LTH
RDP
CIN
TCH
SLD
USF
2
2
I
DRIVE
I/F
2
TS
~
(HI
TS I (HI
3
WO
WEN(HI
EEN(HI
2
2
OSO
(Ll
a:
INVERT
LTH
(HI
w
>
w
U
w
3 4
a:
GO(H)
FWD(H)
HIS(HI
,;-=
LOK(Ll
II
II
II
'--------,
II
I
I(
II
II
\I
INITIAL
CLOCK
IIr-
CONTROL
GEN.
II I
'---
2\11
i
J.l-I
I
II
I I I
II I I
I
I
II
I I
I
I
\I 1 I
I I
II I I
~
r---------4
II
I
t I
r---
II
L-i
I
2 "
TAPE
I
I
\'-
POSITION
MANAGE
I
I
I
f---------'
ECLK
HOUL)
RDP CONV.
RD
t
CASSETTE
a:
LOAD
w
I
DELAY
>
CLD(Ll
-
a:
0
TACH
PULSE
CONV.(J/16)
ENC(U
INVERT
ACK(U
FPT
(Ll
'---
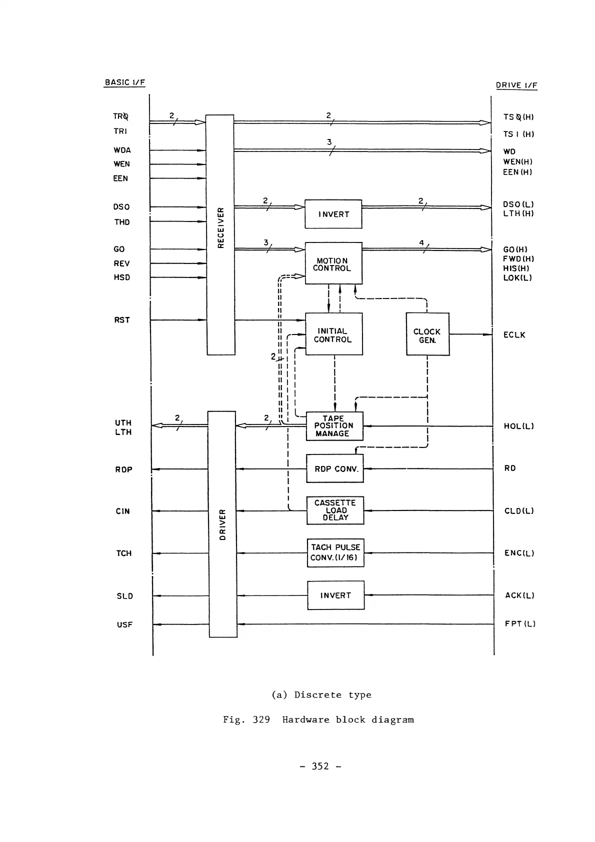
(a)
Discrete
type
Fig.
329
Hardware
block
diagram
-
352
-

Related product manuals