EasyManua.ls Logo

Teac MT-20D-IO - Page 65

Teac MT-20D-IO
253 pages
Print Icon
To Next Page IconTo Next Page
To Next Page IconTo Next Page
To Previous Page IconTo Previous Page
To Previous Page IconTo Previous Page
Loading...
TR~
~
TR3
WDA
WEN
EEN
OSt\l
THO
GO
REV
HSD
RST
UTH
LTH
ROP
CIN
TCH
SLD
USF
4
7.2MHz
l
~
-
a:
w
>
:---
~
0
I---
t--
r
4
I
RECEIVER
I
.---
3
I
I
I
I
2
I
INVERT
I
I
a:
I
w
>
- 3
w
I
0
I
w
a:
I
MOTION
I
CONTROL
(,";.~
I
I
II
i t L
__
,
II
II
I
II
I
II
,,--
INITIAL
I
III
:-
CONTROL
I
" I I
I
2x:
I
I
"I
I
I t
___
~
J 11,1 I
I
J CLOCK
III
I I !
GEN.
~_~
_____
I
____
~
I
III
I I I
III
I f
r--I
III
I I
2
III
....
_
~TAPE
POSITION
I
I
MANAGE.
I
I
-I
I
f
I
I
I
I
I
ROPCONV.
I
I
I
I
I
I
I
r--
I
I
,
CASSETTE
I
LOAOOELAY
I
TACH
PULSE
I CONv.11l16)
j
INVERT
I
I
I
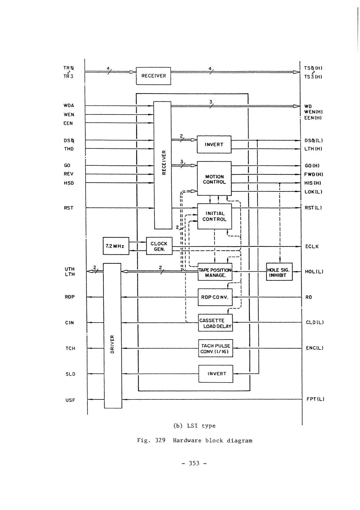
(b)
LSI
type
Fig.
329
Hardware
block
diagram
-
353
-
I
I
I
I
~
I
.
I
I
,
I
I
I
I
I
I
I
I
I
I
t
HOLE
SIG.
l-
INHIBIT
TS& tH)
~
TS3(H)
WD
WENlH)
EEN(HI
OS&ILl
LTHIH)
GOtH)
FWDtHI
HIS(HI
LOKIL)
RSTIL)
ECLK
HOUL)
RD
CLO(Ll
ENCILl
FPTlL)

Related product manuals