EasyManua.ls Logo

Teac PD-135 - Page 26

Teac PD-135
26 pages
Print Icon
To Previous Page IconTo Previous Page
To Previous Page IconTo Previous Page
Loading...
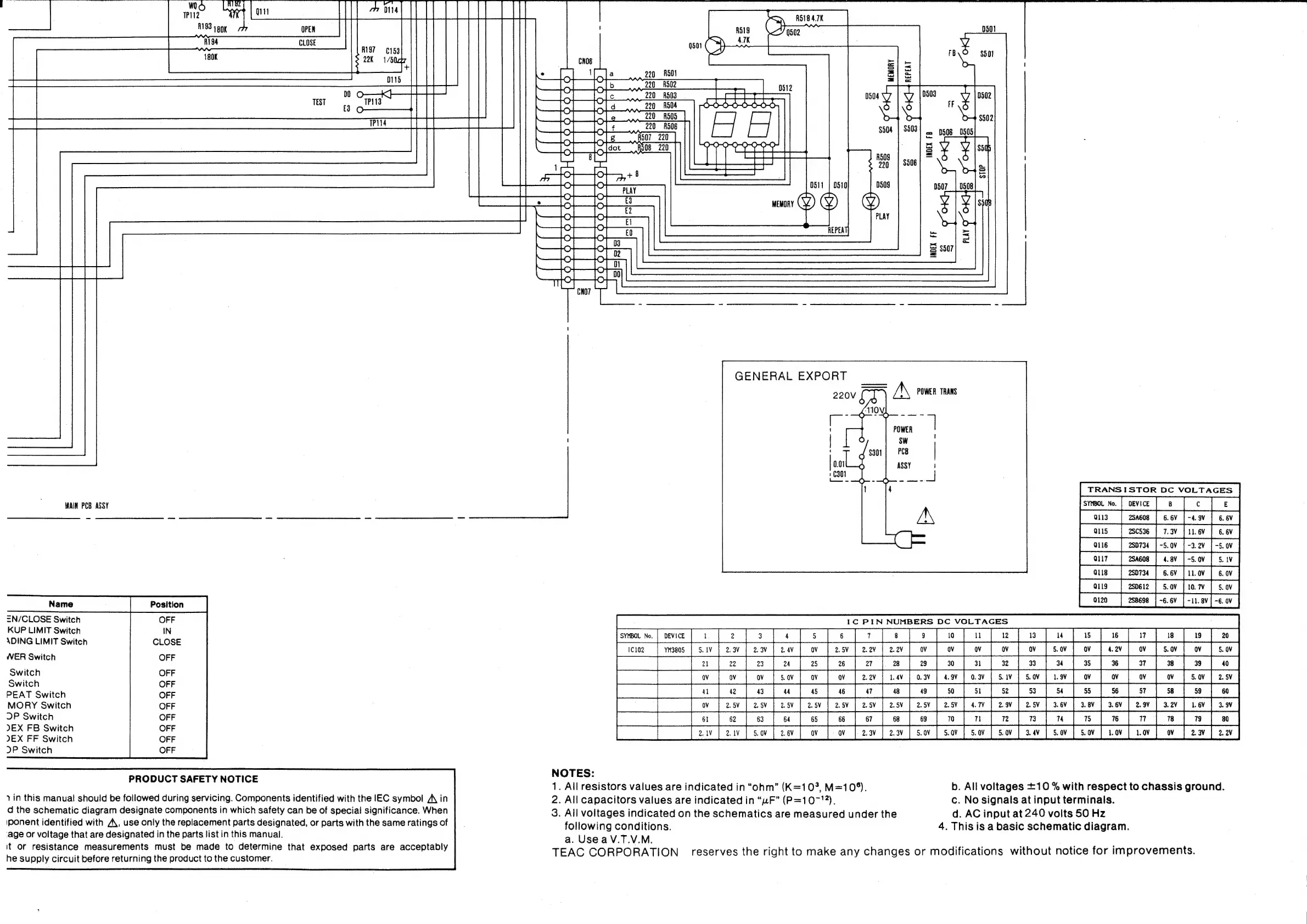
MAIN
PCB
ASSY
=N/CLOSE
Switch
KUP
LIMIT
Switch
ADING
LIMIT
Switch
WER
Switch
Switch
Switch
PEAT
Switch
MORY
Switch
DP
Switch
EX
FB
Switch
EX
FF
Switch
2P
Switch
Position
PRODUCT
SAFETY
NOTICE
1
in
this
manual
should
be
followed
during
servicing.
Components
identified
with
the
IEC
symbol
A\
in
d
the
schematic
diagram
designate
components
in
which
safety
can
be
of
special
significance.
When
ponent
identified
with
/A\,
use
only
the
replacement
parts
designated,
or
parts
with
the
same
ratings
of
‘age
or
voltage
that
are
designated
in
the
parts
list
in
this
manual.
it
or
resistance
measurements
must
be
made
to
determine
that
exposed
parts
are
acceptably
he
supply
circuit
before
returning
the
product
to
the
customer.
sertlon
UT
ed
ET
ETT
il
220
A801
220
A502
GENERAL
EXPORT
IC
PIN
NUMBERS
DC
VOLTAGES
TRANSISTOR
DC
VOLTAGES
jsvmpou
wo.
[
oevice
|
8
|
|
ec
|
|
ana
|
zsasoe
|
sev
[-1.9v
|
6.6v
|
ans
aoe
[a7
[icer
Peer]
aie
[a
ae]
Tanta
Pere
oer
ea
om
[aor
Pear
Liner
|
oer
|
ang
|
speiz
|
rs
fan
La
[a
[ane
ee
une
eer|
TT
ae
inser
De
von
TAGES
SSCS
Se
Pow
[woe
[ow
few
few
[en[
[ew
teaten|
ow
[ato
fo
fo
[onto
[owl
fel
ow
[oo
ae
SN
EL
A
CE
CCC
CC
CCC
[ape
pela
fe
felelelele[n[ala[n[s[w[n[m[
a]
Pew
ew
pew
eww
fw
few
fee
fa]
so]
slaw]
sw[ sw]
im
[iw]
w
lew
[
ea
NOTES:
1.
Allresistors
values
are
indicated
in
“ohm”
(K=103,
M=10°).
2.
All
capacitors
values
are
indicated
in
“uF”
(P=107'2).
3.
All
voltages
indicated
on
the
schematics
are
measured
under
the
following
conditions.
a.
Use
aV.T.V.M.
;
TEAC
CORPORATION
reserves
the
right
to
make
any
changes
or
modifications
without
notice
for
improvements.
b.
All
voltages
+10
%
with
respect
to
chassis
ground.
c.
No
signals
at
input
terminals.
d.
AC
input
at
240
volts
50
Hz
4.
This
is
a
basic
schematic
diagram.

Related product manuals