EasyManua.ls Logo

Teac PD-135 - Functional Block Diagram

Teac PD-135
26 pages
Print Icon
To Next Page IconTo Next Page
To Next Page IconTo Next Page
To Previous Page IconTo Previous Page
To Previous Page IconTo Previous Page
Loading...
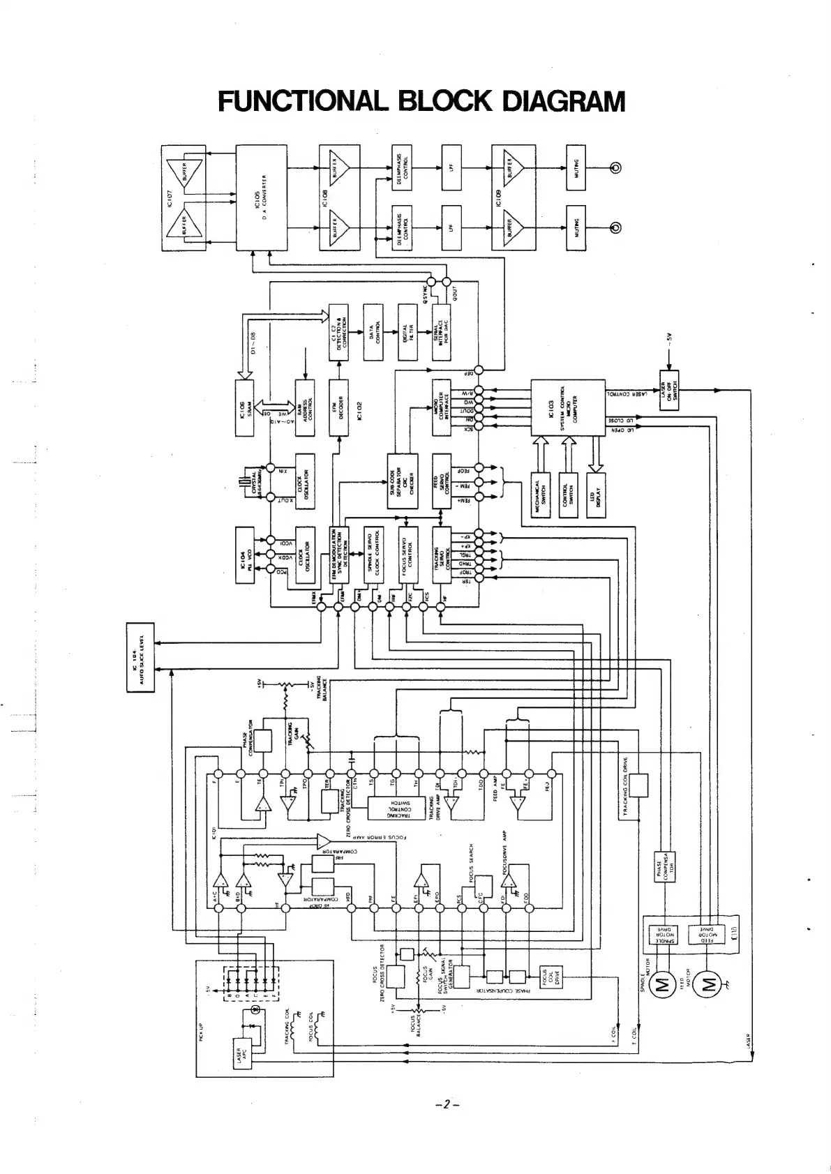
FUNCTIONAL
BLOCK
DIAGRAM
wor
¥SN3IdNOD
3SVHd
AS~
(WN)
¥OLOW
370NIaS
=
IANO
OD
ONINDVEL
rl
PETEeL,
[ese]
OUD
YORLNOD
NNBLSAS
HOLYSN3dNOD
3SVHd
wOIvYaNa9
HQUIMS,
TNS
TEA
D04
JOVILN
43L0dNOD
Cuow
2ONV
Ive
snoos
waNaHD
JOULNOD
OD
SIS
VHANIIG
BOL
VEvdsS:
3002-8NS
HOLIMS:
7OuLNOD
ONO
VEL
0193130
SSOWD
OUIZ
snoos
NOUDIOD
@NOLIILI0
2200
w4LH3ANOD
vO
;
Soto
~
WISABD
ed~10
Wes
ah
9019
0
woo
SNI04
WOD
ONIN
WHL
521
gl
1@
a
HOLYSN34NOD
'
to
3SVH
dv
43Sv7
cane)

Related product manuals