EasyManua.ls Logo

Teac T-X3000 - Page 6

Teac T-X3000
18 pages
Print Icon
To Next Page IconTo Next Page
To Next Page IconTo Next Page
To Previous Page IconTo Previous Page
To Previous Page IconTo Previous Page
Loading...
TX
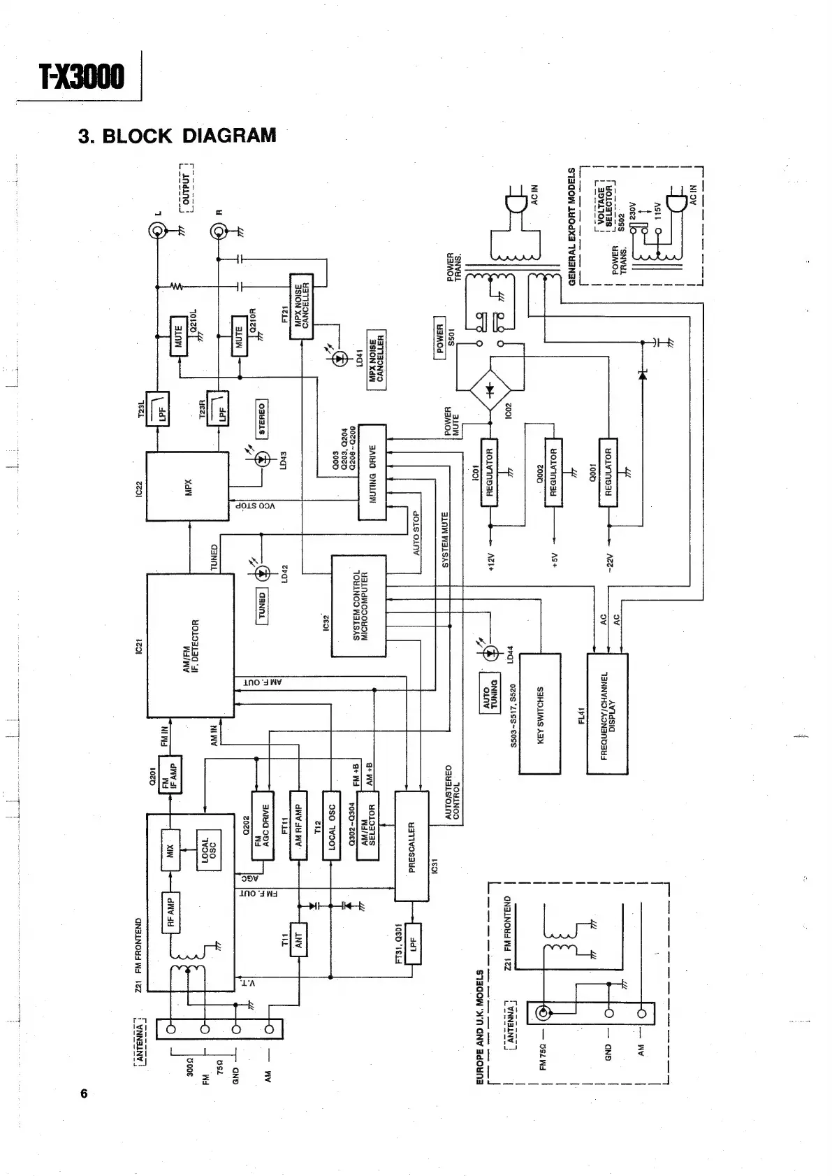
3.
BLOCK
DIAGRAM
Se
ee
St
I
NIOV
|
|
|
|
Se
Se
SS
SS
ee
ASHE
|
|
:
|
{
|
{
—wi
|
Avge
|
|
l
zoss
=
“SNVHL
|
|
fuotsmae:
“2MO4
wouvineau
sanyo
S'S
aug
—avo
|
|
L3S¥LI0A
|
|
l
|
Peete
eet
et
|
STAGOW
1YOdX3
1VHANaD
yoLvInDsY
};—
AS+
|
l
OLIMS
Ady
os2W4
we
S3HOLIM:
|
l
|
y
ne
C=
=
=
pa
9
pra).
0ees,
LISS
StEe
|
GNaINOUs
Wa
42z
LVNNALNY
|
|
OE
©
[aR]
Race
ipa
eae
O
4
STaq00W
"y'N
GNY
3ad0uNn3s
“SNVHL
]OULNOOD
u3aMOd
toss
at
OaySLS/OLNY
[wamod
]
——__|
Leo!
sos
civ
a
aA
108d
‘bEL4
HATISONVO
SION
Xd
3A
DNULAW
wOLoa1as
eal
YaLNdWODOHOIN
Wa/
WV
e020:
“3000
IOULNOD
WALSAS
a+
Wa
“oonaom
:
©
£000
|_980
7¥007
|
H3ITISONVO
=
aCe
SION
Xd
dav
au
WY
INV
tela
.
TL
<
=
=
3
7
=
O}
wv
Yo1zo
@
e
Q
oO.
«A
S
Lam
Be
O
GND
u@G
BSL
wd
seas
J
YOLOSLIq
‘4
=
i.
Anaino
}
=
1@
Wily
LAW
dW
i
NI
WS
W4
‘Weel
;
@z91
1zol
“1
WNN&ULNY
t
oor
on
ae
4

Related product manuals