EasyManua.ls Logo

Teac T-X3000 - IC Block Diagrams

Teac T-X3000
18 pages
Print Icon
To Next Page IconTo Next Page
To Next Page IconTo Next Page
To Previous Page IconTo Previous Page
To Previous Page IconTo Previous Page
Loading...
TX3000
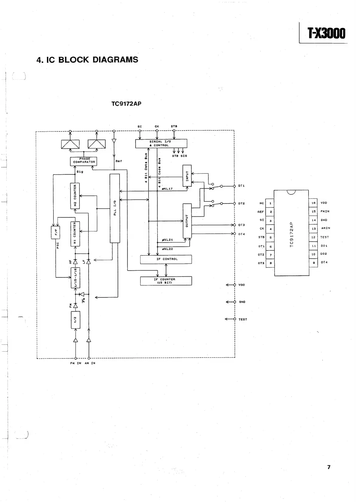
4.1IC
BLOCK
DIAGRAMS
TC9172AP
STB
cK
SI
voD
FMIN
GND
AMIN
TEST
0014
002
oT4
dvezt6ol
wu
n
v
a
Q
e
b
be
Be
o
z
°
°o
°
°
>
°
t
$
t
a
a
1
1
1
'
'
'
f
'
t
(
t
t
1
t
1
1
Fy
1
'
Oo
'
'
{
'
'
t
O
oO
oO
indNI
indino
sng
e900
tS
IF
COUNTER
(45
BIT)
SIAIAL
170
&
CONTROL
STB
SIG
BKLATZ
weKL22
IF
CONTROL
sng
8380
318
“3
@
>
0/1
Wd
a
J
e
a
<
<J
z<
v7
te
a
bes
=
RA
3
BBLNNOD
2N
WaLNNOD
IN
<Hoerst-stvt
s/s
q
ws
ert
J
en
nn
en
no
en
nn
nnn
eee
end
eee
rats
nnn
ones
Fm IN
AM
IN

Related product manuals