EasyManua.ls Logo

Teagle Tomahawk 8500 - Silage Crossbeater and Drive; Silage Crossbeater Parts; Drive Components

Teagle Tomahawk 8500
44 pages
Print Icon
To Next Page IconTo Next Page
To Next Page IconTo Next Page
To Previous Page IconTo Previous Page
To Previous Page IconTo Previous Page
Loading...
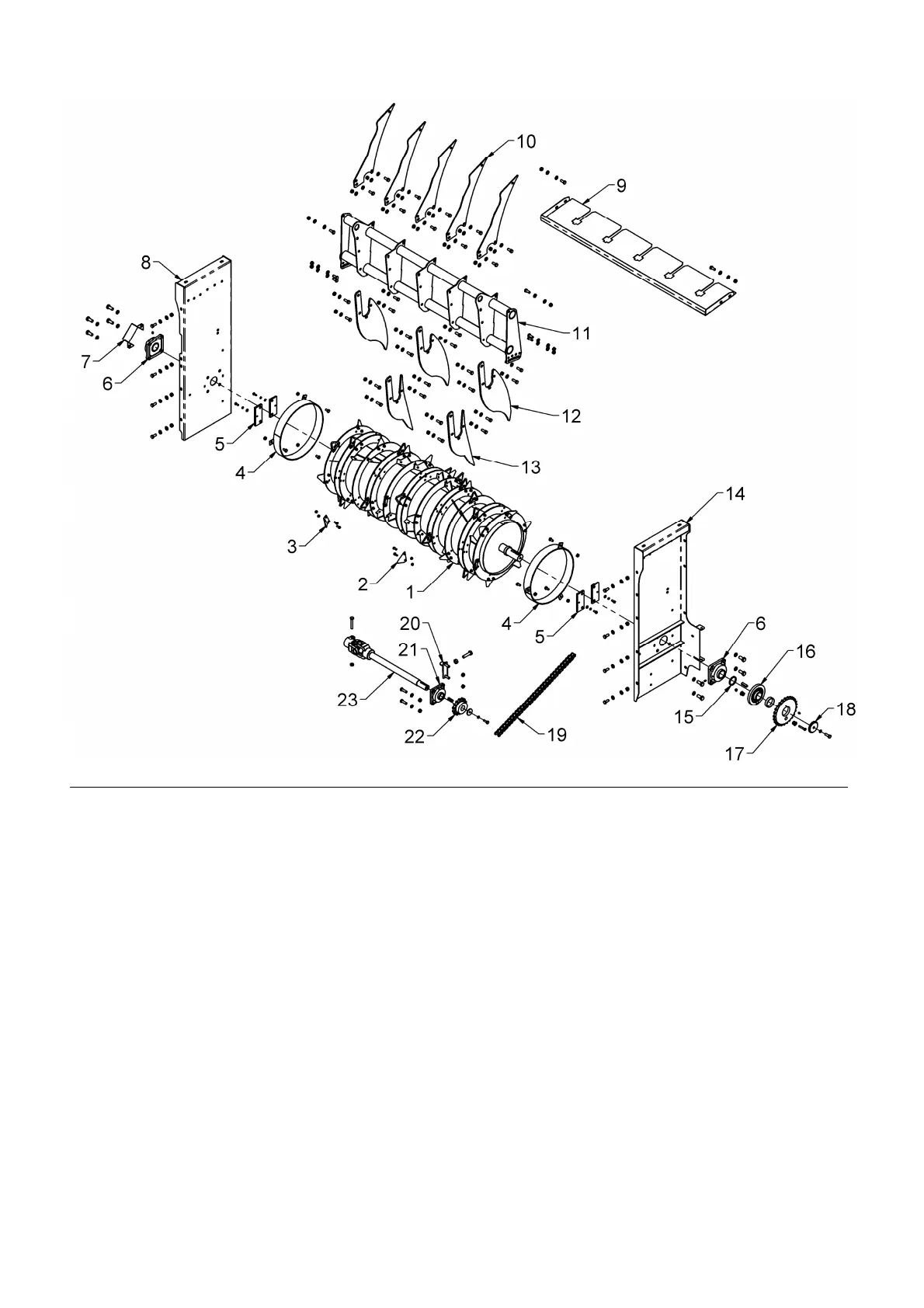
Ref. Description Part No. Qty. Associated Components Part No. Qty.
1 Silage Crossbeater SC4614 1
2 Knife Section - Straight SC1100 40 Setscrew M8 x 20 FAS2627P 80
Locknut M8 FAS2332 80
3 Knife Section - Bent SC3850 14 Setscrew M8 x 20 FAS2627P 28
Locknut M8 FAS2332 28
4 Silage Shield Ring SC4115 2 Setscrew M10 X 20 FAS2652P 6
Locknut M10 FAS2333 6
5 Holding Plate 50mm SC3337 4 Setscrew M8 x 20 FAS2627P 4
Plain Washer M8 FAS2343P 4
Spring Washer M8 FAS2353P 4
6 Flange Bearing 50mm BRG1312 2 Setscrew M16 x 35 FAS2702P 8
Spring Washer M16 FAS2356P 8
Grease Nipple M6 Straight BRG5030 2
7 Rotor Bearing Cover SC4134 1
8 Mid Body Panel RH SC4202 1 Setscrew M12 x 30 FAS2678P 8
Washer M12 FAS2345P 16
Locknut M12 FAS2334 8
9 Internal Material Cover (Long) SC4615 1 Setscrew M12 x 30 FAS2678P 2
Internal Material Cover (Short) SC4709 Opt. Plain Washer M12 FAS2345P 4
Locknut M12 FAS2334 2
24
SILAGE CROSSBEATER & DRIVE

Other manuals for Teagle Tomahawk 8500

Related product manuals