EasyManua.ls Logo

Technics SB-PS75 - Page 36

Technics SB-PS75
67 pages
Print Icon
To Next Page IconTo Next Page
To Next Page IconTo Next Page
To Previous Page IconTo Previous Page
To Previous Page IconTo Previous Page
Loading...
19202122 23
AM
MIX
12
LEVEL
DET
FM IF
S-
CURVE
2
3
REG
4
13
AGC
COMP
68 1110
AM
RF
AMP
AM
IF
AM/FM
IF
BUFFER
24
1
FM
DET
AM
OSC
BUFEER
ALC
TUNING
DRIVE
18
BUFFER
AMP
FM ANT
RF AMP
FM
MIXER
FM OSC
9
Vcc
+B(FM)
FM IF
AMP
+B2
AM
IFT
1
20
7.2MHz
XIN
XOUT
PHASE DET
CHARGE PUMP
CE
2
3
DI
4
CL
D0
5
98710
BO4
BO3
IO1
15
VDD
16
PD
IFIN
11
BO2
1/2
14
13
FM IN
AM IN
Power
supply
(FM:ON)
+B2
+B1
+B(FM)
SD
STEREO
SWITCH
17
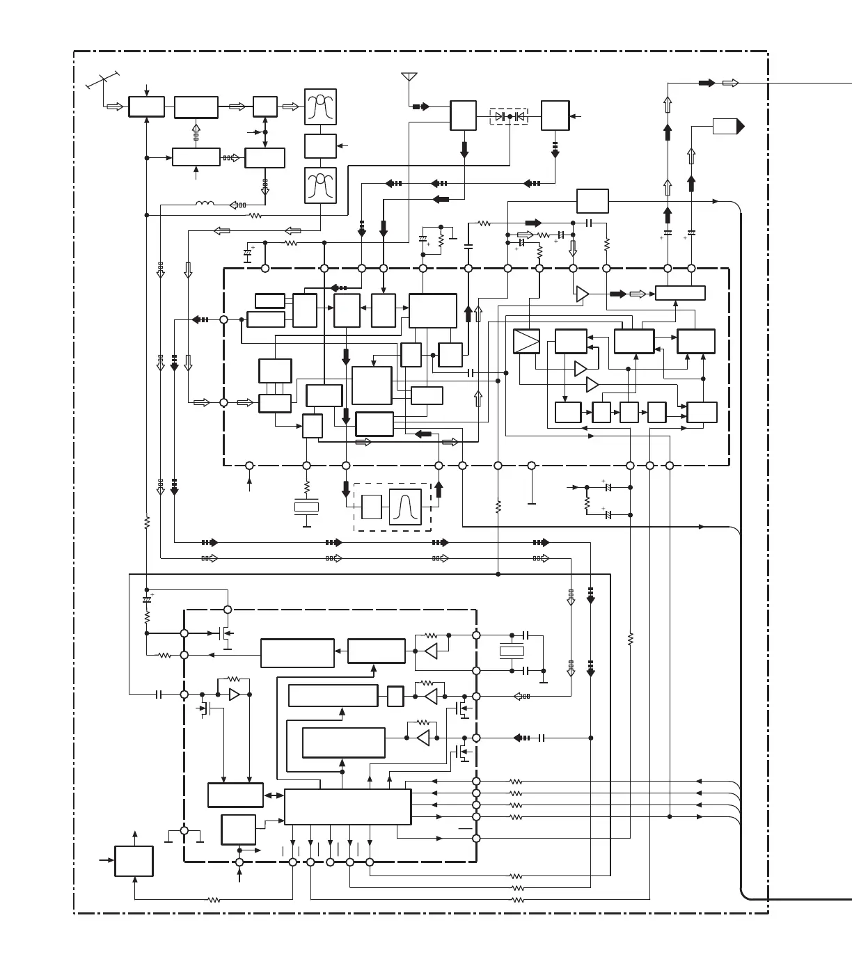
FM / AM I F AMP,
DET / AM OSC,
MIX / FM MPX
(LA1833MN)
15
PILOT
CANCEL
PHASE
DET
16
VCO
FFFF
PILOT
DET
FF
AM
DET
DECODER
BO1
6
IO2
12
19
Vss
Power
ON
RESET
PLL FREQUENCY
SYNTHESIZER
(LC72131M)
+B2
GND
5
7
ST
MONO
FM/AM
SD
FMDET
FM IF
IN
AM
OSC
OUT
AFC
AM
OSC
AM RF
IN
AGC
AM
OUT
DET
OUT
PILOT
IN
MPX
IN
PILOT
OUT
Lch
14
Rch
17
18
AIN
AOUT
AM
ANT
COIL
AM
OSC
COIL
AM ANT
+B2
STRQ
AM IF
IN
AM
MIX
OUT
Rch
IFT
+B(FM)
+B(FM)
+B(FM)
FM:ON
DET
CE1
DATA 1
CLK1
DATA I N
Z120 TUNER UNIT (RAN0005EM)
REFERENCE
DIVIDER
SWALLOW COUNTER
1/6,1/17 4BIT
12 BIT
PROGRAMMABLE
DIVIDER
DATA SHIFT
REGISTER LATCH
UNIVERSAL
COUNTER

Related product manuals