EasyManua.ls Logo

Technics SH-AC500D - Page 21

Technics SH-AC500D
42 pages
Print Icon
To Next Page IconTo Next Page
To Next Page IconTo Next Page
To Previous Page IconTo Previous Page
To Previous Page IconTo Previous Page
Loading...
SH-AC500D
Mi
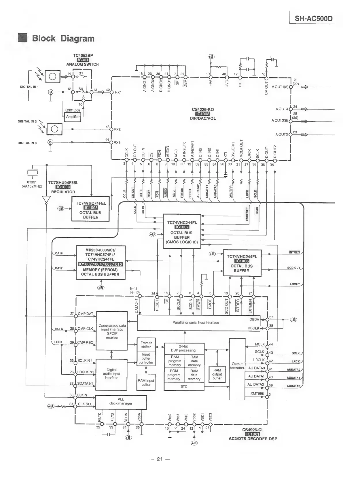
Block
Diagram
TC4052BP
&B
+
[Kexton}
ANALOG
SWITCH
——
i
14)
$1
19
40]
17
16
y
==>—()-0
—_——4;,
$
&
5
(22)
DIGITAL
IN
1
12
so
+
fo}
lees
=>
13
=
Cvo
ra
°
|
O
|
Q301,302
CS4226-KQ
AOUT4
|
1C1003
os
mplifier
DIR/DACVVOL
&
DIGITAL
IN
2
=
AQUT2(6)
=>—
43
—>—
RX2
x
[oO]
;
AouT3O=
44
_
DIGITAL
IN
3
2
>—_—
RX3
a
ef
fe
:
5
Zz
2
a
g
eo
as
i
55
|
Ae
ew
ee
S222
22-3
3
3
|
8
oO
OO
Ig
Z<qeectaaqgeaos:ks5
a
a
-O-
0-
O-
0-0
-0-
0-
0-0
—O—-0
j)
O-O
3]
4]
5
8
io]
11]
12]
32]
a3]
a4]
28]
307
31
35
a
jae
X1001
TC7SHU04F85L
Fae
Ga
(49.152MHz)
11009
5
al
«|
=|
|
=
REGULATOR
4]
5
z
a)
2}
S|
a]
a
\7
ol
8
a
El
£l
2|
2
2
6
TC74VHC74FEL
®
1C1008
OCTAL
BUS
BUFFER
TC74VHC244FL
Keakekoye
OCTAL
BUS
BUFFER
(CMOS
LOGIC
IC)
MX23C4000MC1/
TC74VHC574FL/
TC74VHC244FL
TC74VHC244FL
OCTAL
BUS
MEMORY
(EPROM)
BUFFER
OCTAL
BUS
BUFFER
for)
=
o
N
So
Z]
|< 5]
I\9
O|
j=
3
a
S]
|S
al
je
|
la
Q|
|e
an
Parallel
or
serial
host
interface
Compressed
data
input
interface
SPDIF
receiver
SCLK
28
CMP
CLK
Ee
29
XCMP
RE!
e
Q
Framer
shifter
SCLK
43
24-bit
DSP
processing
|
beer
RAM
RAM
controller
Program
data
memory
|
memory
ROM
LRCLK
42
LACK
O
rea
Al
Digital
RAM
U
DATAO
Hay
AUDATAQ
O
audio
input
program
data
output
interface
memory
buffer
O
XMT958
30
OCLKIN
ow
=
LK
a)
31
O
CLK
SEL
|
ee
eee
CS4926-CL
Tekan
AC3/DTS
DECODER
DSP
a
04)

Other manuals for Technics SH-AC500D

Related product manuals