EasyManua.ls Logo

Technics SH-AC500D - Page 22

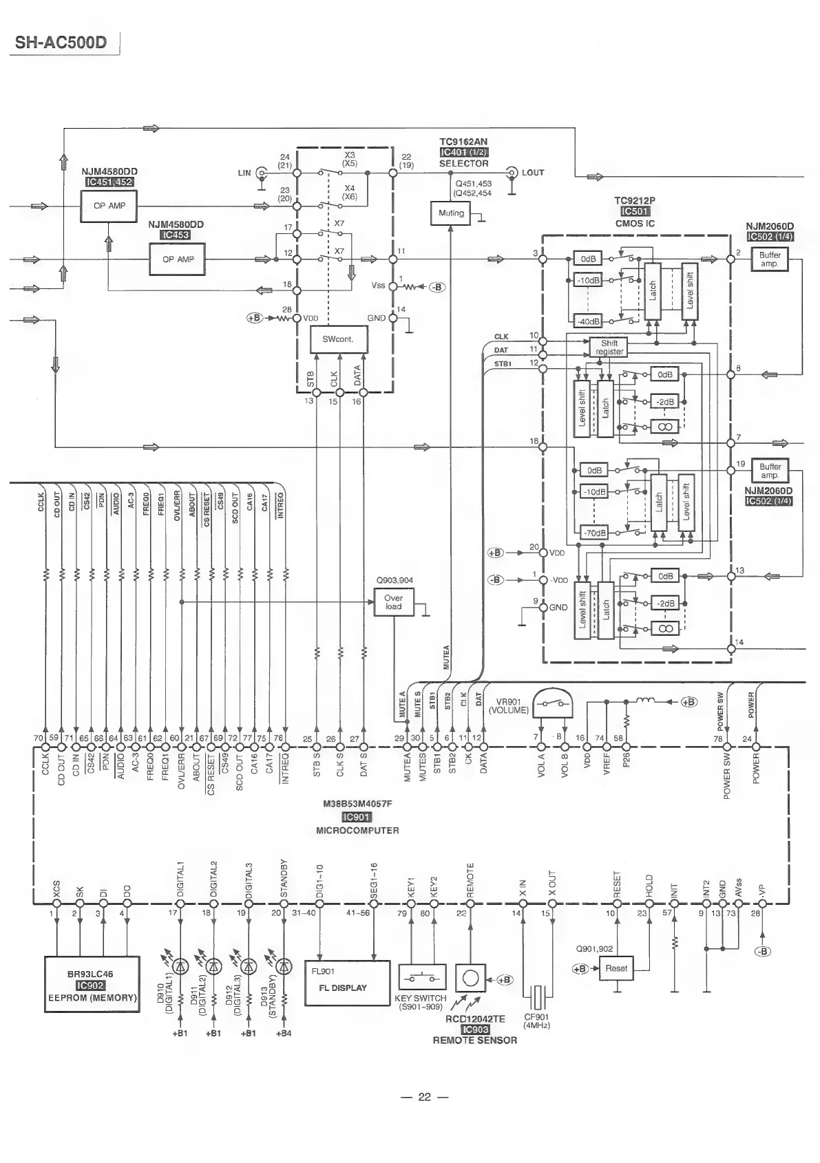
Technics SH-AC500D
42 pages
Print Icon
To Next Page IconTo Next Page
To Next Page IconTo Next Page
To Previous Page IconTo Previous Page
To Previous Page IconTo Previous Page
Loading...
NJM2060D
IC502/(1/4)
Buffer
mp
2
|
NJM2060D
1€502)(1/4)
wamod
SY
YSMOd
ry
TC9212P
IC501
CMOS
IC
Shift
register
a
LOUT
=>
cLK
SH-AC500D
|
ost
Zs
|
2&
aka
ke
Bb
bs]
on
co
wv
£
ami)
OS
Of)
wi
ES
wn
fa)
WY
Pr
|
sain
3
SALAW
aa
ar
=|
-
s
aI
2V
VALAW
i
o-—
C
Ss
2
Zz
.
ds.iv
O
$
iva
|
ee
_
|
vwivaye
5
xR
5
d
Os
10
|
;
gs
mwoy
2
@
ae
Gee:
eapeae|
(ae
ears
Me
=
Qa
O
AM
a
OSes
c
als
jy
2
re
—O=—
Ses
|
tS
re}
a5|
&
Sami
NM
oO
OBULN!
4
A
a
AW
+O
LtvO
fn
=O
s1vo
z
+
91vo
ey
a
TO
aaS
ANY
>aG
ino
cos
+50
0rs0
fea}
oO
om
ee
Be
ccicn
ie
SRSAKO
3
HYSA0
=
=
:
1Oau4
wy
<4
ay
1O3Y4
z
il
noEEE
=
(poo34s
a
a
FOV
WW
+a9eov
%
hil
olan
30
oiany
Eo
=f
Ndd
Ndd
2
——
AW
<—Ozvs0
2
@pso
1
aa,
AW
>=O
niao
NIGS
=
C)109
W199,
°
OMS
¥4aMOd
M38B53M405
7F
I€901
MICROCOMPUTER
re
t—‘e_SYS
fon
dn-Oz—+-8)
2
pe
SSAV
aNd
ZLNI
oy
im
oO
EB>|
Rese
|
Qg901,902
NX
OS
.
oy
|
WwW
sionaup
+
—$|
¢
NS
N
|
é
&
5S
ZAaNO
8
|
=?
=
KEYS
($901
>
5
a
7)
a
—d LL
uy
1
216d
(AGANVLS)
16d
‘ose
My
(ewugiad)
*
CF901
(4MHz)
IC903
RCD12042TE
REMOTE
SENSOR
+B4
B1
r
«3
NNN
—<t—
00
+
e
(LIWLIDIq)
|
vy
ol6a
BR93LC46
IC902
EEPROM
(MEMORY)
ZWLIDIG
‘ae
=
yy
(Z1VLID10)
16d
LWLIDIG
be—$$
$9
—tyit
+B1

Other manuals for Technics SH-AC500D

Related product manuals