EasyManua.ls Logo

Technics SH-AC500D - Page 26

Technics SH-AC500D
42 pages
Print Icon
To Next Page IconTo Next Page
To Next Page IconTo Next Page
To Previous Page IconTo Previous Page
To Previous Page IconTo Previous Page
Loading...
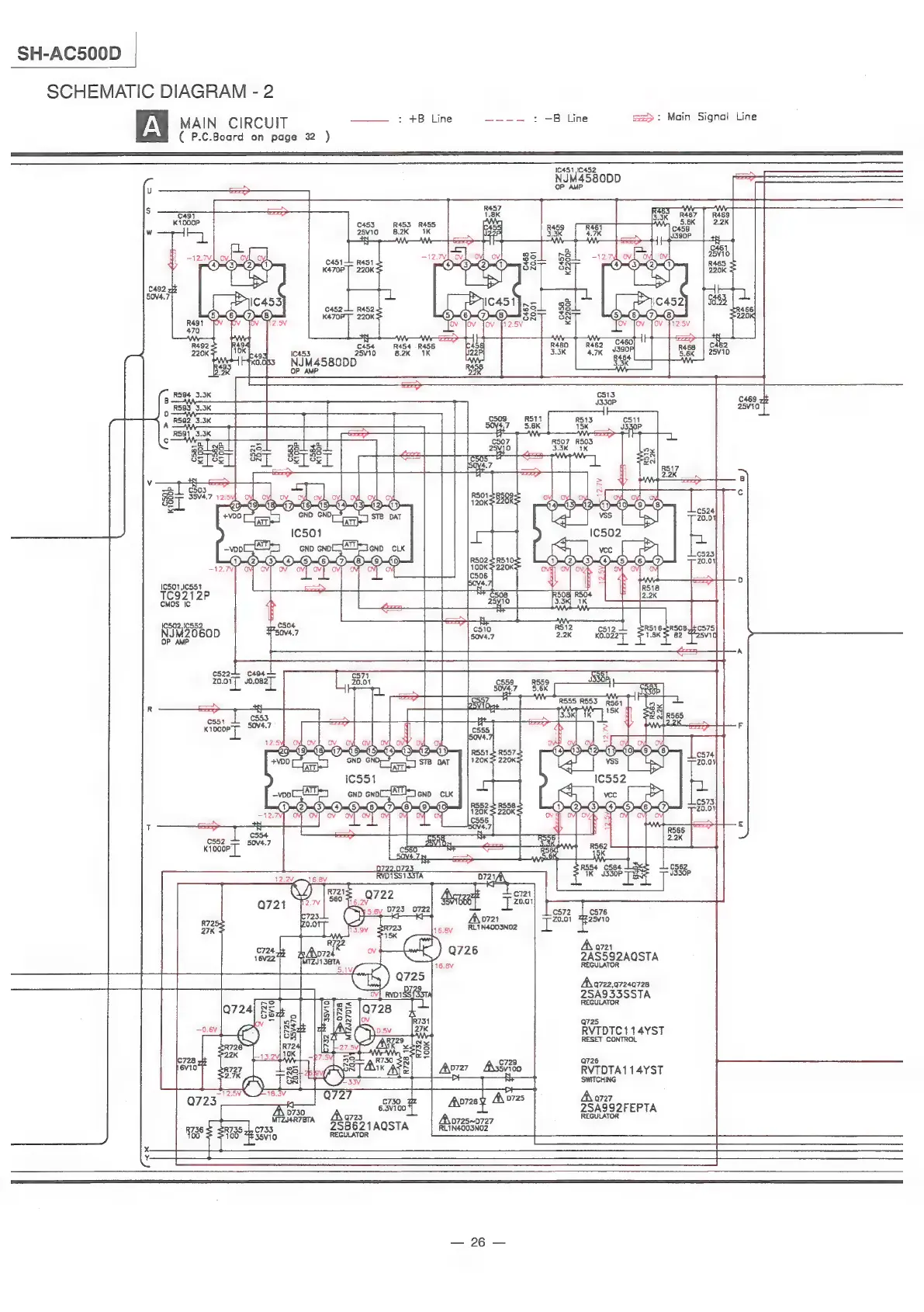
SH-AC500D
|
SCHEMATIC
DIAGRAM
-
2
MAIN
CIRCUIT
(
P.C.Board
on
page
32
)
:
+B
Line
—--—
:
—B
Line
t=:
Main
Signal
Line
C453
10452
NJM4580DD
=
OP
AMP
C491
ae
rel
C453
R453
RéSS
25v10
«8.2K
R454 R456
8.2K
R584
3.3K
RSBS_
5.5K
R582
5.3K
R591
3.3K
=
C469
zt
25V10
Qa
>}oD
ios:
50
Gy
A
721
ZASS92ZAQSTA
REGULATOR
A\q722,97240728
Z2SA933SSTA
REGULATOR
Q725
RVTDTC114YST
RESET
CONTROL
Ag7z7
AsSiic0
726
RVTDTA114YST
SWITCHING
Avo727
2SA992FEPTA
AdXv725~0727
REGULATOR
RLIN4003NO2
<x
26

Other manuals for Technics SH-AC500D

Related product manuals